0
HMC512
  • HMC512

HMC512

RECOMMENDED FOR NEW DESIGNS

VCO with Fo/2 & Divide-by-4 SMT, 9.6 - 10.8 GHz

Analog Devices HMC512 Product Info

10 February 2026 6

Features

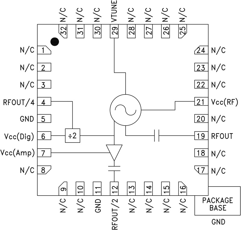
  • Triple Output:
    Fo= 9.6 - 10.8 GHz
    Fo/2= 4.8 - 5.4 GHz
    Fo/4= 2.4 - 2.7 GHz
  • Pout: +9 dBm
  • Phase Noise: -110 dBc/Hz @ 100 kHz Typical
  • No External Resonator Needed
  • QFN Leadless SMT Package, 25 mm2

Part details & applications

The HMC512LP5(E) is a GaAs InGaP Herterojunction Bipolar Transistor (HBT) MMIC VCOs. The HMC512LP5(E) integrates resonators, negative resistance devices, varactor diodes and feature half frequency and divide-by-4 outputs. The VCO's phase noise performance is excellent over temperature, shock and process due to the oscillator's monolithic structure. Power output is +9 dBm typical from a +5V supply voltage. The prescaler and RF/2 functions can be disabled to conserve current if not required. The voltage cont-rolled oscillator is packaged in a leadless QFN 5x5 mm surface mount package, and requires no external matching components.

APPLICATIONS

  • Point-to-Point Radios 
  • Point-to-Multi-Point Radios
  • Test Equipment & Industrial Controls 
  • SATCOM
  • Military End-Use

Subscribe to Welllinkchips !
Your Name
* Email
Submit a request