0
HMC508
  • HMC508

HMC508

RECOMMENDED FOR NEW DESIGNS

VCO SMT with Fo/2, 7.3 - 8.2 GHz

Analog Devices HMC508 Product Info

10 February 2026 10

Features

  • Dual Output: Fo = 7.3 - 8.2 GHz
    Fo/2 = 3.65 - 4.1 GHz
  • Phase Noise:
    -116 dBc/Hz @100 kHz Typ.
  • Pout: +15 dBm
  • No External Resonator Needed
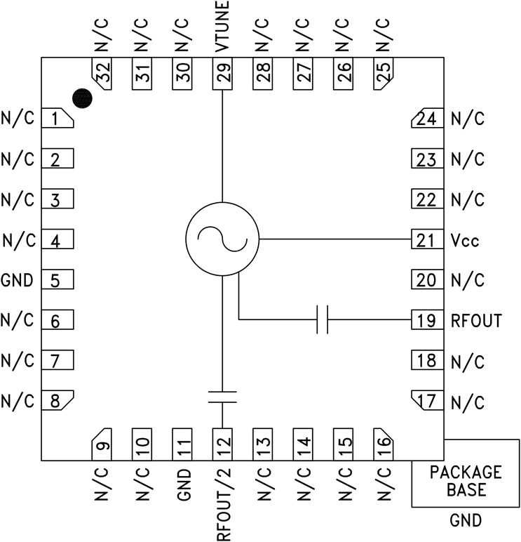
  • QFN Leadless SMT Package, 25 mm2

Part details & applications

The HMC508LP5(E) is a GaAs InGaP Heterojunction Bipolar Transistor (HBT) MMIC VCO. The HMC508LP5(E) integrates resonators, negative resistance devices, varactor diodes and feature a half frequency output. The VCO’s phase noise performance is excellent over temperature, shock, and process due to the oscillator’s monolithic structure. Power output is +15 dBm typical from a +5V supply. The voltage controlled oscillator is packaged in a leadless QFN 5x5 mm surface mount package, and requires no external matching components.

APPLICATIONS

  • VSAT Radio 
  • Point-to-Point/Multi-Point Radio 
  • Test Equipment & Industrial Controls 
  • Military End-Use

Subscribe to Welllinkchips !
Your Name
* Email
Submit a request