0
HMC468A
  • HMC468A

HMC468A

RECOMMENDED FOR NEW DESIGNS

1 dB LSB GaAs MMIC 3-Bit Digital Positive Control Attenuator, DC-6 GHz

Analog Devices HMC468A Product Info

10 February 2026 6

Features

  • 1 dB LSB Steps to 7 dB
  • High IP3: +55 dBm
  • ±0.25 dB Typical Bit Error
  • Single Control Line Per Bit
  • Single +5V Supply
  • 16 Lead 3×3 mm SMT Package: 9 mm2

Part details & applications

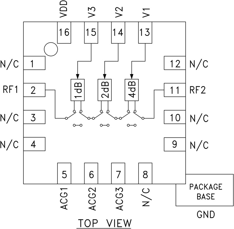
The HMC468ALP3E is a broadband 3-bit GaAs IC digital attenuators in a low cost leadless surface mount package. Covering DC to 6.0 GHz, the insertion loss is less than 1 dB typical up to 4 GHz. The attenuator bit values are 1 (LSB), 2 and 4 dB for a total attenuation of 7 dB. Attenuation accuracy is excellent at ±0.4 dB typical step error with an IIP3 of +55 dBm. Three control voltage inputs, toggled between 0 and +5V, are used to select each attenuation state. A single Vdd bias of +5V is required.

APPLICATIONS

  • Cellular; UMTS/3G Infrastructure 
  • Fixed Wireless & WLL 
  • Microwave Radio & VSAT 
  • Test Equipment

Subscribe to Welllinkchips !
Your Name
* Email
Submit a request