0
HMC345A
  • HMC345A

HMC345A

RECOMMENDED FOR NEW DESIGNS

GaAs MMIC SP4T Non-Reflective Positive Control Switch, DC* - 8 GHz

Analog Devices HMC345A Product Info

10 February 2026 9

Features

  • Broadband Performance: DC - 8 GHz
  • High Isolation: 35 dB @ 6 GHz
  • Low Insertion Loss: 2.0 dB @ 6 GHz
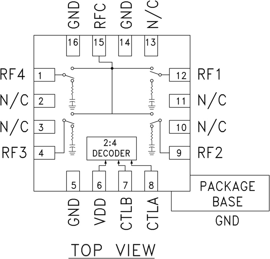
  • Integrated Positive Supply 2:4 TTL Decoder
  • 16 Lead 3×3mm QFN Package: 9 mm2

Part details & applications

The HMC345ALP3E is a broadband non-reflective GaAs MESFET SP4T switch in a low cost leadless surface mount packages. Covering DC to 8 GHz, this switch offers high isolation and low insertion loss. This switch also includes an on board binary decoder circuit which reduces the required logic control lines to two. The switch operates using a positive control voltage of 0/+5V, and requires a fixed bias of +5V.

* Blocking capacitors are required at ports RFC and RF1, 2, 3, & 4. Their value will determine the lowest transmission frequency.

APPLICATIONS

This switch is suitable for usage in DC - 8.0 GHz 50-Ohm or 75-Ohm systems:

  • Broadband
  • Fiber Optics
  • Switched Filter Banks
  • Wireless below 8 GHz

Subscribe to Welllinkchips !
Your Name
* Email
Submit a request