0
LTC1955
  • LTC1955
  • LTC1955
  • LTC1955

LTC1955

PRODUCTION

Dual Smart Card Interface with Serial Control

Analog Devices LTC1955 Product Info

10 February 2026 7

Features

  • Compatible with ISO7816-3 and EMV Electrical Specifications
  • Power Management and Control for Two Smart Cards
  • Control/Status Serial Port May Be Daisychained for Multicard Applications
  • Automatic Shutdown on Electrical Faults
  • Buck/Boost Charge Pump Generates 5V, 3V or 1.8V Outputs (Smart Card Classes A, B and C)
  • Independent 5V/3V/1.8V Level Control for Both Cards
  • Automatic Level Translation
  • Supervisory Functions Prevent Smart Card Faults
  • Low Operating Current: 250μA Typical
  • Ultralow Shutdown Current
  • >10kV ESD on Smart Card Pins
  • Small 32-Lead 5mm × 5mm QFN Package

Part details & applications

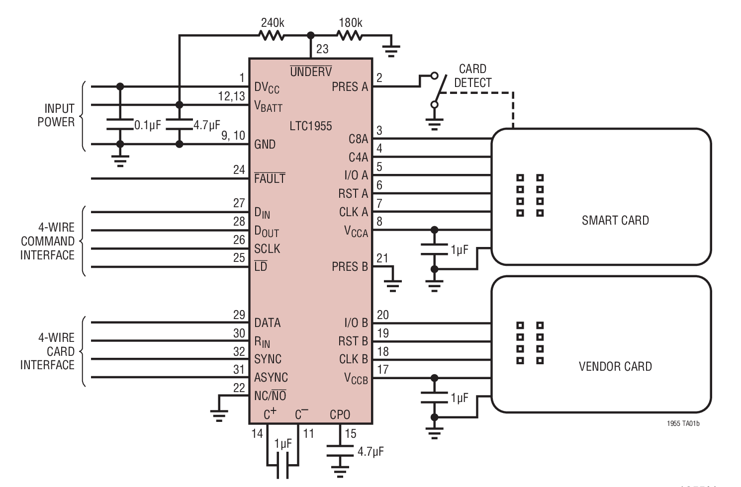
The LTC1955 provides all necessary supervisory and power control functions for two smart cards, two S.A.M. cards or a combination of S.A.M. and smart cards. It provides a charge pump for battery-powered applications as well as all necessary level shifting circuitry.

The card voltages can be independently set to 1.8V, 3V or 5V. Both card interfaces include a card detection channel with automatic debounce circuitry. To reduce wiring costs, the LTC1955 interfaces to a microcontroller via a simple 4-wire serial interface. Multiple devices may be connected in daisychain fashion so that the number of wires to the card socket board is independent of the number of sockets. Status data is returned over the same interface.

Extensive security features ensure proper deactivation sequencing in the event of a supply fault or a smart card electrical fault. The smart card pins can withstand greater than 10kV ESD in-situ with no additional components.

The LTC1955 is available in a low profile (0.75mm) 5mm × 5mm QFN package.

Applications

  • Handheld Payment Terminals
  • Pay Telephones
  • ATM Machines
  • POS Terminals
  • Computer Keyboards
  • Multiple S.A.M. Sockets

Subscribe to Welllinkchips !
Your Name
* Email
Submit a request