0
HMC1093
  • HMC1093

HMC1093

RECOMMENDED FOR NEW DESIGNS

GaAs MMIC Sub Harmonic Mixer, 37 - 46.5 GHz

Analog Devices HMC1093 Product Info

10 February 2026 6

Features

  • Sub-Harmonically Pumped (x4) LO
  • Low LO Power: -1 dBm
  • High 4LO/RF Isolation: 20 dB
  • Wide IF Bandwidth: DC to 7.5 GHz
  • Downconversion Applications
  • Die Size: 1.45 × 3.85 × 0.1 mm

Part details & applications

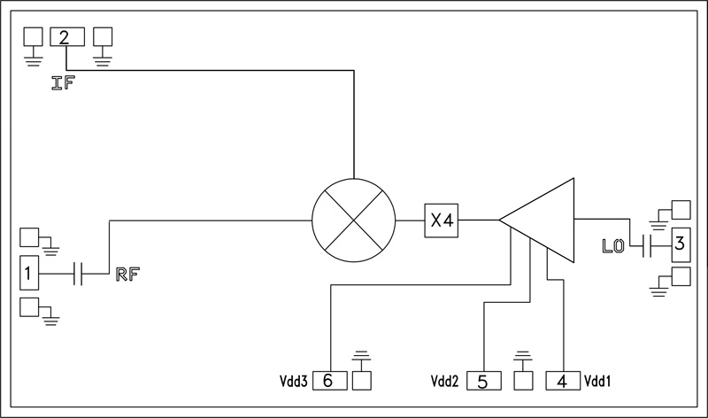
The HMC1093 chip is a sub-harmonically pumped (x4) MMIC mixer with an integrated LO amplifier. The HMC1093 chip is ideal for use as a downconverter with 37 to 46.5 GHz at the RF port and DC to 7.5 GHz at the IF port. The HMC1093 utilizes a GaAs PHEMT technology and delivers excellent 4LO to RF isolation of 20 dB, which eliminates the need for additional filtering. The LO amplifier is a single bias (+3V) two stage design requiring only -1 dBm of LO power. The RF and LO ports are DC blocked and matched to 50 Ohms for ease of use. All data shown herein is measured with the chip in a 50 Ohm test fixture connected via 0.025mm (1 mil) wire bonds of minimal length <0.31 mm (<12 mils).

APPLICATIONS

  • 38 GHz Microwave Radio
  • 42 GHz Microwave Radio
  • Military End-Use

Subscribe to Welllinkchips !
Your Name
* Email
Submit a request