0
LTC4067
  • LTC4067
  • LTC4067
  • LTC4067

LTC4067

PRODUCTION

USB Power Manager with OVP and Li-Ion/Polymer Charger

Analog Devices LTC4067 Product Info

10 February 2026 10

Features

  • Programmable Input Current Limit:
    • Single Resistor at CLPROG Pin to Set and Monitor Input Current
  • Battery Charger/Ideal Diode/Controller:
    • 13V Overvoltage Protection
    • Full Featured Battery Charger with 4.2V Float
    • Up to 1.25A Programmable Charge Current
    • Thermal Regulation Maximizes Charge Current Without Risk of Overheating
    • Internal 2 Hour Termination Timer from Onset of Voltage Mode Charging
    • Automatic Load Switchover to Battery Power with Internal Ideal Diode and Drive Output for Optional External MOSFET
    • NTC Thermistor Input
    • Bad Battery Time-Out Detection
    • 4mm × 3mm 12-Lead DFN Package

Part details & applications

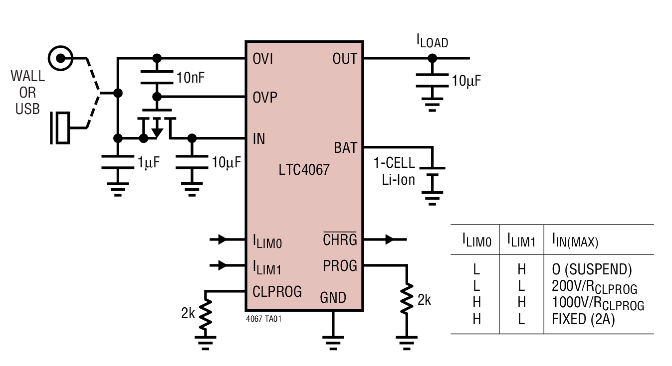
The LTC4067 is a USB power management and Li-Ion/ Polymer battery charger designed for portable battery powered applications. The part controls total current used by the USB peripheral for operation and battery charging. The total input current may be left unregulated, or it may be limited to 20% or 100% of the programmed value up to 1.5A (typically 500mA). Battery charge current is automatically reduced such that the sum of the load current and the charge current does not exceed the programmed input current.

With the addition of an external P-channel MOSFET the LTC4067 can withstand voltages up to 13V.

The LTC4067 includes a complete constant current/constant voltage linear charger for single cell Li-Ion batteries. The float voltage applied to the battery is held to a tight 0.4% tolerance, and charge current is programmed using an external resistor to ground. An end-of-charge status output, CHRG, indicates full charge. Also featured is an NTC thermistor input used to monitor battery temperature while charging.

The LTC4067 is available in a 12-lead low profile 4mm × 3mm DFN package.

Applications

  • Automatic Battery Charging/Load Switchover
  • Backup Battery Charger
  • Uninterrupted Supplies

Subscribe to Welllinkchips !
Your Name
* Email
Submit a request