0
ADXL212
  • ADXL212
  • ADXL212

ADXL212

NOT RECOMMENDED FOR NEW DESIGNS

Low Cost ±2g Dual Axis Accelerometer

Analog Devices ADXL212 Product Info

10 February 2026 6

Features

  • High performance, single-/dual-axis accelerometer on a single IC chip
  • 5 mm × 5 mm × 2 mm LCC package
  • 1 mg resolution at 60 Hz Low power: 700 μA at VS = 5 V (typical)
  • High sensitivity accuracy –40°C to +125°C temperature range
  • High zero g bias stability
  • Pulse Width Modulated Digital Outputs
  • BW adjustment with a single capacitor
  • Single-supply operation
  • 3500 g shock survival RoHS-compliant
  • Compatible with Sn/Pb- and Pb-free solder processes

Part details & applications

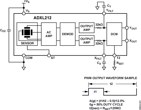
The ADXL212 is a high precision, low power, complete single- and dual-axis accelerometers with duty cycle modulated outputs, all on a single, monolithic IC. The ADXL212 measure acceleration with a full-scale range of ±2g. The ADXL212 can measure both dynamic acceleration (for example, vibration) and static acceleration (for example, gravity). The typical noise floor is 110 μg/√Hz, allowing signals below 1 mg (0.06° of inclination) to be resolved in tilt sensing applications using narrow bandwidths (<60 Hz). The user selects the bandwidth of the accelerometer using Capacitor CX and Capacitor CY at the XFILT and YFILT pins. Bandwidths of 0.5 Hz to 2.5 kHz may be selected to suit the application. The ADXL212 available in 5 mm × 5 mm × 2 mm, 8-pad hermetic LCC packages.

APPLICATIONS

  • Automotive tilt alarms
  • Vehicle dynamic control (VDC)/electronic stability program (ESP) systems
  • Electronic chassis control
  • Electronic braking
  • Data projectors
  • Navigation
  • Platform stabilization/leveling
  • Alarms and motion detectors
  • High accuracy, 2-axis tilt sensing