0
HMC-C031
  • HMC-C031

HMC-C031

LAST TIME BUY

x2 Active Multiplier Module, 6 - 10 GHz Fout

Analog Devices HMC-C031 Product Info

10 February 2026 7

Features

  • High Output Power: +17 dBm
  • Low Input Power Drive: -2 to +6 dBm
  • 100 KHz SSB Phase Noise: -140 dBc/Hz
  • Single Supply: +5V@ 90 mA
  • RoHS Hermetically Sealed Module
  • Field Replaceable SMA Connectors
  • -55° to +85°C Operating Temperature

Part details & applications

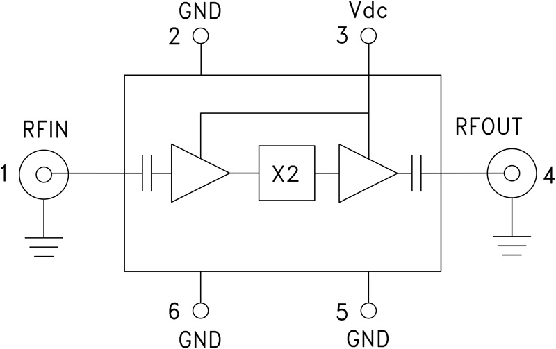
The HMC-C031 is a x2 active broadband frequency multiplier utilizing GaAs PHEMT technology in a miniature hermetic module. When driven by a 3 dBm signal, the multiplier provides +17 dBm typical output power from 6 to 10 GHz. The Fo and 3Fo isolations are 12 dBc with respect to output signal level. This frequency multiplier features DC blocked I/O’s, and is ideal for use in LO multiplier chains for Pt to Pt & VSAT Radios yielding reduced parts count vs. traditional approaches. The low additive SSB Phase Noise of -140 dBc/Hz at 100 kHz offset helps maintain good system noise performance.

APPLICATIONS

  • Wireless Local Loop 
  • Point-to-Point & VSAT Radios 
  • Test Instrumentation 
  • Military & Space

Subscribe to Welllinkchips !
Your Name
* Email
Submit a request