0
DAC8800
  • DAC8800

DAC8800

PRODUCTION

Octal 8-Bit D/A Converter

Analog Devices DAC8800 Product Info

10 February 2026 9

Features

  • ±1/2 LSB Total Unadjusted Error
  • 2µs Settling time
  • Serial Data Input
  • ±Full-Scale Output set by VREFH and VREFL
  • Unipolar and Bipolar Operation
  • TTL Input Compatible
  • 20-Pin DIP or SOL Package
  • Low Cost

Part details & applications

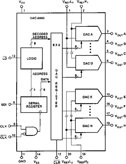
The DAC-8800 Trim DAC is designed to be a general purpose digitally controlled voltage adjustment device. The output voltage range can be independently set for each set of four D/A converters. In addition, both unipolar and bipolar output voltage ranges are easy to establish by external reference input high and low terminals. The digitally-programed output voltages are ideal for op amp trimming, voltage-controlled amplifier gain setting and any general purpose trimming tasks.

A three-wire serial digital interface loads the contents of eight internal DAC registers which establish the output voltage levels. An asynchronous Clear (CLR) input places all DACs in a zero code output condition, very handy for system power-up. An internal regulator provides TTl input compatibility over a wide range of VDD supply voltages. Single supply operation is available by connecting VSS to GND.

Subscribe to Welllinkchips !
Your Name
* Email
Submit a request