0
ADXL314
  • ADXL314
  • ADXL314
  • ADXL314

ADXL314

RECOMMENDED FOR NEW DESIGNS

±200 g Range, 3-Axis Digital Accelerometer

Analog Devices ADXL314 Product Info

10 February 2026 8

Features

  • ±200 g measurement range
  • Low power: 170 μA in measurement mode and 17 μA in standby mode at VS = 2.5 V (typical)
  • User selectable bandwidth up to 3200 Hz ODR
  • Fixed 13-bit output resolution
  • Supply voltage range: 2.0 V to 3.6 V
  • Embedded memory management system with FIFO technology minimizes host processor load
  • Shock event detection
  • Activity/inactivity monitoring
  • SPI (3- or 4-wire) and I2C digital interfaces
  • Wide temperature range: −40 to +125°C
  • 10,000 g shock survival
  • Pb free and RoHS compliant
  • Small and thin: 32-lead, 5 mm × 5 mm × 1.45 mm LFCSP
  • AEC-Q100 qualified for automotive applications

Part details & applications

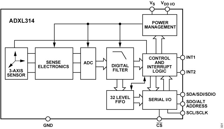
The ADXL314 is a ±200 g range, 13-bit resolution, 3-axis digital accelerometer. The digital output data is formatted as 16-bit, twos complement data and is accessible through a serial peripheral interface (SPI), 3-wire or 4-wire, or an I2C digital interface.

An integrated memory management system with a 32 level, first in, first out (FIFO) buffer can store data to minimize host processor activity and lower overall system power consumption.

Low power modes enable intelligent motion-based power management with threshold sensing and active acceleration measurement at low power dissipation, typically 65 μA for VS = 2.5 V at a 100 Hz output data rate (ODR).

The ADXL314 is supplied in a small, thin 5 mm × 5 mm × 1.45 mm, 32-lead LFCSP.

APPLICATIONS

  • Tire and battery pack monitoring
  • High force event detection

Subscribe to Welllinkchips !
Your Name
* Email
Submit a request