0
DAC08S
  • DAC08S

DAC08S

PRODUCTION

Aerospace 8-Bit High Speed Multiplying DAC

Analog Devices DAC08S Product Info

10 February 2026 10

Features

  • Fast Settling Output Current: 85 ns typical
  • Full-Scale Current Prematched to ±1 LSB
  • Direct Interface to TTL, CMOS, ECL, HTL, PMOS
  • Nonlinearity to 0.1% Maximum over Temperature Range
  • Complementary Current Outputs
  • Wide Range Multiplying Capability: 1 MHz Bandwidth
  • Low FS Current Drift: ±10 ppm/°C
  • Wide Power Supply Range: ±4.5 V to ±18 V

Part details & applications

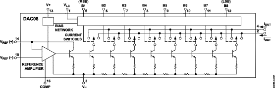
The DAC-08 series of 8-bit monolithic digital-to-analog converters provide very high-speed performance coupled with low cost and outstanding applications flexibility.

Advanced circuit design achieves 85 ns typical settling times with very low "glitch" energy and at low power consumption. Monotonic multiplying performance is attained over a wide 20 to 1 reference current range. Matching to within 1 LSB between reference and full-scale currents eliminates the need for full-scale trimming in most applications. Direct interface to all popular logic families with full noise immunity is provided by the high swing, adjustable threshold logic input.

High voltage compliance complementary current outputs are provided, increasing versatility and enabling differential operation to effectively double the peak-to-peak output swing. In many applications, the outputs can be directly converted to voltage without the need for an external op amp.

All DAC08 series models guarantee full 8-bit monotonicity, and nonlinearities as tight as ±0.1% over the entire operating temperature range are available. Device performance is essentially unchanged over the ±4.5 V to ±18 V power supply range, with 33 mW power consumption attainable at ±5 V supplies.

Subscribe to Welllinkchips !
Your Name
* Email
Submit a request