0
ADUM6402
  • ADUM6402
  • ADUM6402

ADUM6402

PRODUCTION

Quad-Channel Isolators with Integrated DC/DC Converter (2/2 channel directionality)

Analog Devices ADUM6402 Product Info

10 February 2026 12

Features

  • isoPower integrated, isolated DC/DC converter
  • Regulated 3.3 V or 5 V output
  • Up to 400 mW output power
  • Schmitt trigger inputs
  • 16-lead SOIC package with 7.6 mm creepage
  • High temperature operation: 105°C
  • High common-mode transient immunity: >25 kV/μs
  • See data sheet for additional features

Part details & applications

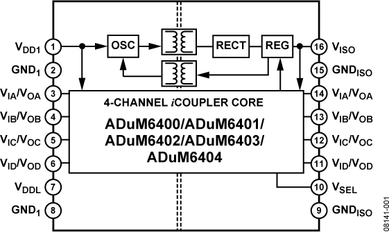
The ADuM640x devices are quad-channel digital isolators with isoPower®, an integrated, isolated DC/DC converter. Based on the Analog Devices, Inc., iCoupler® technology, the DC/DC converter provides up to 500 mW of regulated, isolated power at either 5.0 V or 3.3 V from a 5.0 V input supply, or 3.3 V from a 3.3 V supply at the power levels shown in Table 1. This eliminates the need for a separate, isolated DC/DC converter in low power, isolated designs. The iCoupler chip scale transformer technology is used to isolate the logic signals and for the magnetic components of the DC/DC converter. The result is a small form factor, total isolation solution.

The ADuM640x isolators provide four independent isolation channels in a variety of channel configurations and data rates (see the Ordering Guide for more information).

isoPower uses high frequency switching elements to transfer power through its transformer. Special care must be taken during printed circuit board (PCB) layout to meet emissions standards. Refer to the AN-0971 application note for board layout recommendations.

Subscribe to Welllinkchips !
Your Name
* Email
Submit a request