0
MAX1858
  • MAX1858

MAX1858

PRODUCTION

Dual 180° Out-of-Phase PWM Step-Down Controller with Power Sequencing and POR

Analog Devices MAX1858 Product Info

10 February 2026 4

Features

  • Two Independent Output Voltages
  • 180° Out-of-Phase Operation
  • 90° Out-of-Phase Operation (Using Two MAX1858s)
  • Foldback Current Limit
  • 4.75V to 23V Input Supply Range
  • 0 to 18V Output-Voltage Range (Up to 10A)
  • >90% Efficiency
  • Fixed-Frequency Pulse-Width Modulation (PWM) Operation
  • Adjustable 100kHz to 600kHz Switching Frequency
  • External SYNC Input
  • Clock Output for Master/Slave Synchronization
  • Power-On/-Off Sequencing with Soft-Start and Soft-Stop
  • RST-bar Output with 140ms Minimum Delay
  • Lossless Current Limit (No Sense Resistor)
  • Part details & applications

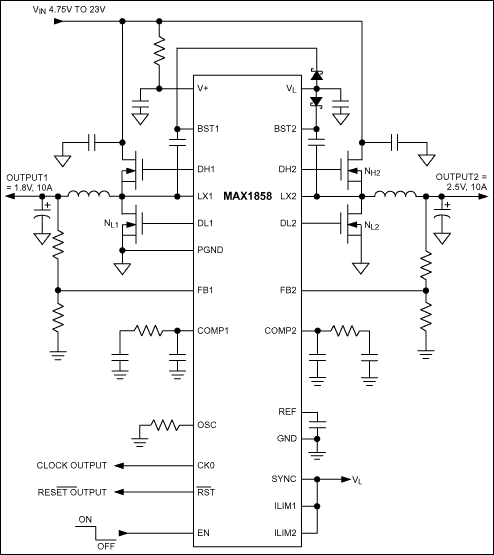
    The MAX1858 dual, synchronized, step-down controller generates two outputs from input supplies ranging from 4.75V to 23V. Each output is adjustable from sub-1V to 18V and supports loads of 10A or higher. Input voltage ripple and total RMS input ripple current are reduced by synchronized 180° out-of-phase operation.

    The switching frequency is adjustable from 100kHz to 600kHz with an external resistor. Alternatively, the controller can be synchronized to an external clock generated to another MAX1858 or a system clock. One MAX1858 can be set to generate an in-phase, or 90° out-of-phase, clock signal for synchronization with additional controllers. This allows two controllers to operate either as an interleaved two- or four-phase system with each output shifted by 90°. The device also features “first-on/last-off” power sequencing for compatibility with DSPs, ASICs, and FPGAs, as well as soft-start and soft-stop to ensure reliable and repeatable power sequencing.

    The MAX1858 eliminates the need for current-sense resistors by utilizing the low-side MOSFET's on-resistance as a current-sense element. This protects the DC-DC components from damage during output-overload conditions or when output short-circuit faults without requiring a current-sense resistor. Adjustable foldback current limit reduces power dissipation during short-circuit condition. A power-on reset output signals the system when both outputs reach regulation.

    The MAX1858 is available in a 24-pin QSOP package. An evaluation kit is available to speed designs.

    Applications

    • Broadband Routers
    • DSP, ASIC, and FPGA Power Supplies
    • Network-Power Supplies
    • Servers
    • Set-Top Boxes
    • Telecom Power Supplies

    Subscribe to Welllinkchips !
    Your Name
    * Email
    Submit a request