0
LTC3109
  • LTC3109
  • LTC3109
  • LTC3109
  • LTC3109

LTC3109

RECOMMENDED FOR NEW DESIGNS

Auto-Polarity, Ultralow Voltage Step-Up Converter and Power Manager

Analog Devices LTC3109 Product Info

10 February 2026 5

Features

  • Operates from Inputs as Low as ±30mV
  • Less Than ±1°C Needed Across TEG to Harvest Energy
  • Proprietary Auto-Polarity Architecture
  • Complete Energy Harvesting Power Management System
    • Selectable VOUT of 2.35V, 3.3V, 4.1V or 5V
    • 2.2V, 5mA LDO
    • Logic-Controlled Output
    • Energy Storage Capability for Operation During Power Interruption
  • Power Good Indicator
  • Uses Compact Step-up Transformers
  • Small, 20-lead (4mm × 4mm) QFN Package or 20-Lead SSOP

Part details & applications

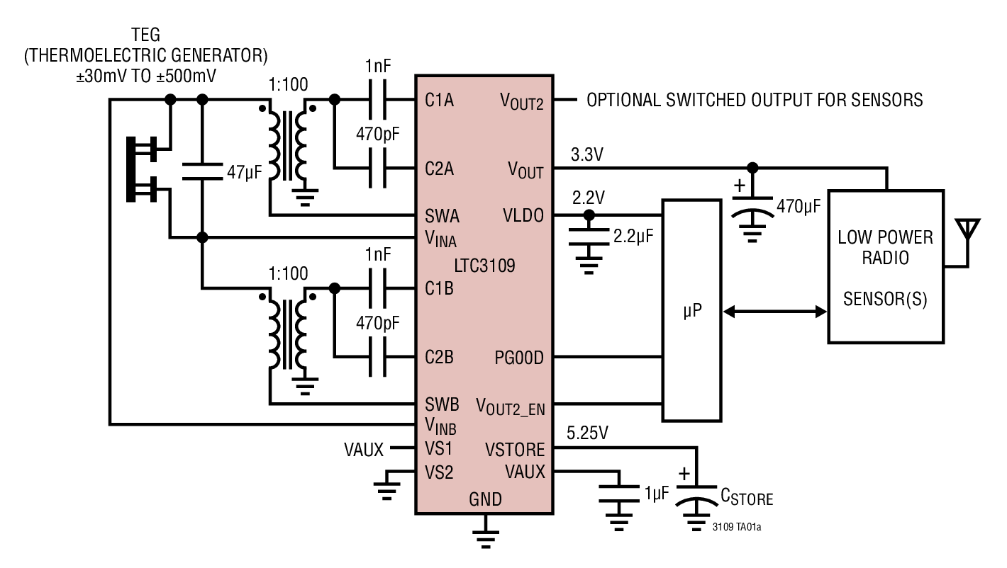
The LTC3109 is a highly integrated DC/DC converter ideal for harvesting surplus energy from extremely low input voltage sources such as TEGs (thermoelectric generators) and thermopiles. Its unique, proprietary autopolarity topology* allows it to operate from input voltages as low as 30mV, regardless of polarity.

Using two compact step-up transformers and external energy storage elements, the LTC3109 provides a complete power management solution for wireless sensing and data acquisition. The 2.2V LDO can power an external microprocessor, while the main output can be programmed to one of four fixed voltages. The power good indicator signals that the main output is within regulation. A second output can be enabled by the host. A storage capacitor (or battery) can also be charged to provide power when the input voltage source is unavailable. Extremely low quiescent current and high efficiency maximizes the harvested energy available for the application.

The LTC3109 is available in a small, thermally enhanced 20-lead (4mm × 4mm) QFN package and a 20-lead SSOP package.

Applications

  • Remote Sensor and Radio Power
  • HVAC Systems
  • Automatic Metering
  • Building Automation
  • Predictive Maintenance
  • Industrial Wireless Sensing

Subscribe to Welllinkchips !
Your Name
* Email
Submit a request