0
ADMV9615
  • ADMV9615
  • ADMV9615
  • ADMV9615
  • ADMV9615
  • ADMV9615

ADMV9615

RECOMMENDED FOR NEW DESIGNS

60 GHz Millimeterwave Short Data Link

Analog Devices ADMV9615 Product Info

10 February 2026 18

Features

  • Meets V-band worldwide frequency requirements
  • Integrated omnidirectional circularly polarized antenna
  • Integrated high band and low band diplexer for improved multipath distortion
  • Full duplex operation
  • Simple AM scheme
  • Data rate: 1Gbps
  • Ultralow latency
  • Short link communication distance: 1 cm to 5 cm
  • Receiver frequency: 59.85 GHz
  • Transmitter frequency: 63.2625 GHz
  • Transmitter gain setting range: −3 dB to +32 dB
  • Integrated transmitter PA power detector
  • Receiver gain setting range: −10 dB to +69 dB
  • RF, IF, and BB gain control
  • Integrated receiver and transmitter frequency synthesizers
  • Integrated reference clock
  • On-chip temperature sensors
  • DC-coupled baseband input and output
  • 3-wire digital SPI
  • 34.70 mm × 29.89, 52-terminal printed circuit assembly (PCA)

Part details & applications

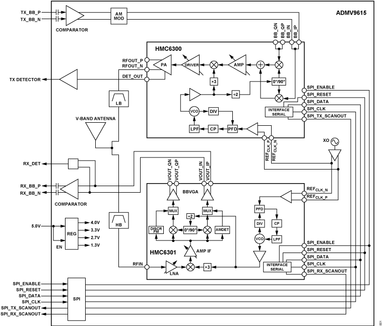
The ADMV9615 is a complete millimeterwave (mmWave) wireless connectivity solution in a small printed circuit assembly (PCA) format. All millimeterwave signals are confined to the printed circuit assembly, simplifying implementation. Wireless transmission is achieved using the integrated circularly polarized (CP) omnidirectional patch antenna array, which enables communication in many applications, including rotation. Following the antenna array is an integrated diplexer that provides isolation between the separate transmit and receive paths on the board, which reduces multipath distortion. The receive path integrates all components to demodulate the 59.85 GHz frequency to baseband signals. The flexible receiver gain control is programmable over a wide range to easily accommodate the required link budget. The receiver baseband outputs are ac-coupled and can provide almost 400 mV of differential output signal level. Likewise, the transmit path integrates all components to modulate input baseband signals to 63.2625 GHz. The transmitter has programmable gain control to maintain level transmit power. The transmit baseband inputs are dc-coupled and have a broad common-mode input range. Synthesizers are integrated to maintain excellent frequency stability vs. temperature. The simple amplitude modulation (AM) scheme eliminates the need for external data converters, allowing for bit rates of greater than 1 Gbps. On-board power management is integrated to a single 5 V voltage rail to power the ADMV9615.

Together with the ADMV9625, the ADMV9615 provides a complete, full duplexed 60 GHz data link for high speed data transmission in the unlicensed 60 GHz industrial, scientific, and medical (ISM) band.

Applications

  • 60 GHz short data link for industrial and medical high data rate applications
  • High speed data for rotating applications, such as slip rings and ma

Subscribe to Welllinkchips !
Your Name
* Email
Submit a request