0
ADM4168E
  • ADM4168E
  • ADM4168E

ADM4168E

PRODUCTION

±15 kV ESD Protected Dual RS-422 Transceiver

Analog Devices ADM4168E Product Info

10 February 2026 9

Features

  • Dual RS-422 transceiver for ESD protection on bus input/output pins
    • ±15 kV HBM
    • ±8 kV IEC 61000-4-2, contact discharge
    • ±8 kV IEC 61000-4-2, air discharge
  • Complies with TIA/EIA-422-B and ITU-T recommendation V.11
  • Open circuit fail-safe
  • Suitable for 5 V power supply applications
  • Low supply current operation: 9 mA maximum
  • Low driver output skew
  • Receiver line input resistance: 30 kΩ typical
  • Receiver common-mode range: −7 V to +7 V
  • Power-up/power-down without glitches
  • 16-lead TSSOP package
  • Operating temperature range: −40°C to +85°C

Part details & applications

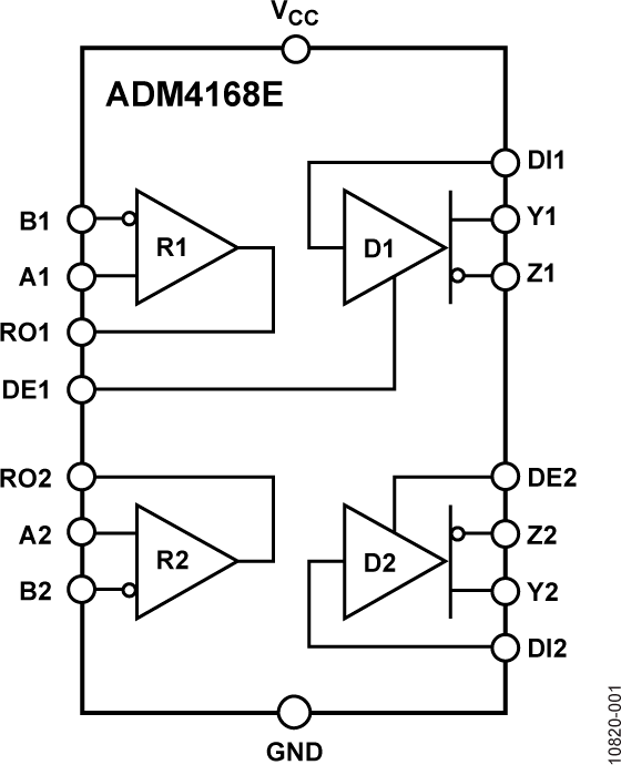
The ADM4168E is a dual RS-422 transceiver suitable for high speed communication on point to point and multidrop transmission lines. The ADM4168E is designed for balanced transmission lines and complies with TIA/EIA-422-B.

The differential driver outputs and receiver inputs feature electrostatic discharge (ESD) circuitry that provides protection up to ±15 kV human body model (HBM) and ±8 kV IEC 61000-4-2 (contact and air discharge).

The ADM4168E operates from a single 5 V power supply. Excessive power dissipation caused by bus contention or output shorting is prevented by short-circuit protection circuitry. Short-circuit protection circuits limit the maximum output current to −150 mA during fault conditions.

The receivers of the ADM4168E contain a fail-safe feature that results in a logic high output state if the inputs are unconnected (floating).

The ADM4168E is fully specified over the commercial and industrial temperature ranges and is available in a 16-lead TSSOP package.

Applications

  • RS-422 interfaces
  • High data rate motor control
  • Single-ended to differential signal conversion
  • Point to point and multidrop transmission systems

Subscribe to Welllinkchips !
Your Name
* Email
Submit a request