0
ADM3488
  • ADM3488
  • ADM3488

ADM3488

PRODUCTION

3.3 V, Low Power, RS-485/RS-422 Transceiver (Full Duplex, 250 kbps, Slew Rate Limited)

Analog Devices ADM3488 Product Info

10 February 2026 8

Features

  • Operate with 3.3 V supply
  • Interoperable with 5 V logic
  • EIA RS-485/RS-422 Compliant over Full Common-Range
  • Data Rate Options: 250 kbps
  • Half and Full Duplex Options
  • Reduced Slew Rates for Low EMI
  • Up to 32 Transceivers on a Bus
  • -7V to +12V Bus Common Mode Range
  • Specified over –40°C to +85°C Temperature Range
  • Available in 8-Lead SOIC

Part details & applications

The ADM3483 / ADM3485 / ADM3488 / ADM3490 / ADM3491 are low power, differential line transceivers designed to operate using a single 3.3 V power supply. Low power consumption, coupled with a shutdown mode, makes the ADM3483/ADM3485/ADM3488/ ADM3490/ADM3491 ideal for power-sensitive applications.

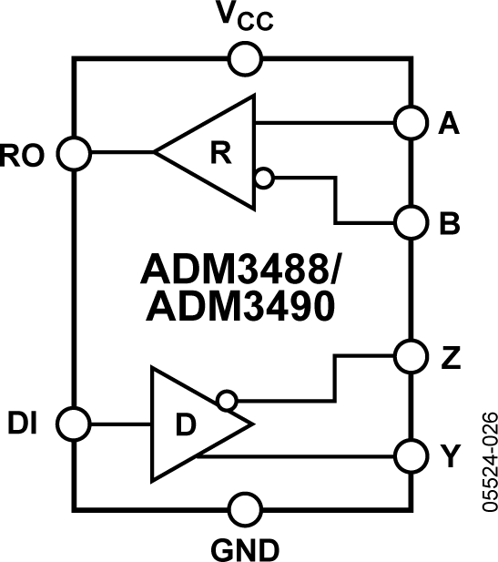
The ADM3488 / ADM3490 / ADM3491 feature full-duplex communication, while the ADM3483/ADM3485 are designed for half-duplex communication.

The ADM3483 / ADM3488 feature slew rate limited drivers that minimize EMI and reduce reflections caused by improperly terminated cables, allowing error-free data transmission at data rates up to 250 kbps.

The ADM3485 / ADM3490 / ADM3491 transmit at up to 10 Mbps. The receiver input impedance is 12 kΩ, allowing up to 32 transceivers to be connected on the bus. A thermal shutdown circuit prevents excessive power dissipation caused by bus contention or by output shorting. If a significant temperature increase is detected in the internal driver circuitry during fault conditions, then the thermal shutdown circuit forces the driver output into a high impedance state. If the inputs are unconnected (floating), the receiver contains a fail-safe feature that results in a logic high output state. The parts are fully specified over the commercial and industrial temperature ranges. The ADM3483 / ADM3485 / ADM3488 / ADM3490 are available in 8-lead SOIC_N; the ADM3491 is available in a 14-lead SOIC_N.

APPLICATIONS

  • Low-Power RS-485 Applications
  • Telecom
  • Industrial Process Control
  • HVAC

Subscribe to Welllinkchips !
Your Name
* Email
Submit a request