0
ADM1066
  • ADM1066
  • ADM1066
  • ADM1066

ADM1066

PRODUCTION

Super Sequencer® with Margining Control and Auxiliary ADC Inputs

Analog Devices ADM1066 Product Info

10 February 2026 5

Features

  • Complete supervisory and sequencing solution for up to 10 supplies
  • 10 supply fault detectors enable supervision of supplies to <0.5% accuracy at all voltages at 25°C
    <1.0 % accuracy across all voltages and temperatures
  • 5 selectable input attenuators allow supervision of
    Supplies up to 14.4 V on VH
    Supplies up to 6 V on VP1 to VP4 (VPn)
  • 5 dual-function inputs, VX1 to VX5 (VXn)
    High impedance input to supply fault detector with thresholds between 0.573 V and 1.375 V
    General-purpose logic input
  • Complete voltage-margining solution for 6 voltage rails

10 Programmable Output Drivers (PDO1 To PDO10)

  • Open collector with external pull-up
  • Push/pull output, driven to VDDCAP or VPn
  • Open collector with weak pull-up to VDDCAP or VPn
  • Internally charge-pumped high drive for use with external N-FET (PDO1 to PDO6 only)
  • 6 voltage output 8-bit DACs (0.300 V to 1.551 V) allow voltage adjustment via dc-to-dc converter trim/feedback node
  • 12-bit ADC for readback of all supervised voltages
  • 2 auxiliary (single-ended) ADC inputs
  • Reference input (REFIN) has 2 input options
    Driven directly from 2.048 V (±0.25%) REFOUT pin
    More accurate external reference for improved ADC performance
  • Device powered by the highest of VPn, VH for improved redundancy

Sequencing Engine (SE) Implements State Machine Control Of PDO Outputs

  • State changes conditional on input events
  • Enables complex control of boar

Part details & applications

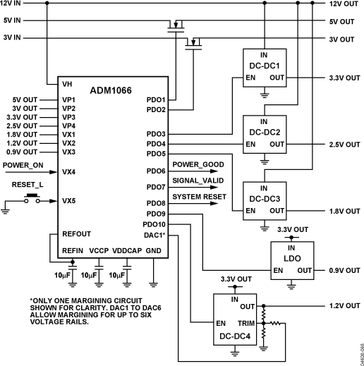
The ADM1066 Super Sequencer® is a configurable supervisory/ sequencing device that offers a single-chip solution for supply monitoring and sequencing in multiple-supply systems. In addition to these functions, the ADM1066 integrates a 12-bit ADC and six 8-bit voltage output DACs. These circuits can be used to implement a closed-loop margining system that enables supply adjustment by altering either the feedback node or reference of a dc-to-dc converter using the DAC outputs.

Supply margining can be performed with a minimum of external components. The margining loop can be used for in-circuit testing of a board during production (for example, to verify board functionality at −5% of nominal supplies), or it can be used dynamically to accurately control the output voltage of a dc-to-dc converter.

APPLICATIONS
  • Central office systems
  • Servers/routers
  • Multivoltage system line cards
  • DSP/FPGA supply sequencing
  • In-circuit testing of margined supplies