0
ADH361S
  • ADH361S

ADH361S

RECOMMENDED FOR NEW DESIGNS

Space SMT MMIC Divide-By-2, DC to 12 GHz

Analog Devices ADH361S Product Info

10 February 2026 6

Features

  • Ultra-Low SSB Phase Noise: -148 dBc/Hz
  • Wide Bandwidth
  • Output Power: 3 dBm
  • Single DC Supply: +5V
  • 8 Lead Hermetic SMT Package

Part details & applications

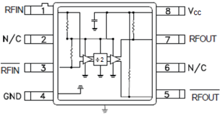
The ADH361S is a low noise N = 2 static divider in an 8-lead glass/metal surface mount (hermetic) package. This device operates from DC (with a square wave input) to 12 GHz input frequency with a single +5V DC supply. The low additive SSB phase noise of -148 dBc/Hz at 100 kHz offset helps the user maintain good system noise performance.

APPLICATIONS

  • Point-to-Point / Multi-Point Radios
  • VSAT Radio
  • Fiber Optic
  • Space & Military

Subscribe to Welllinkchips !
Your Name
* Email
Submit a request