0
ADH232S
  • ADH232S
  • ADH232S

ADH232S

PRODUCTION

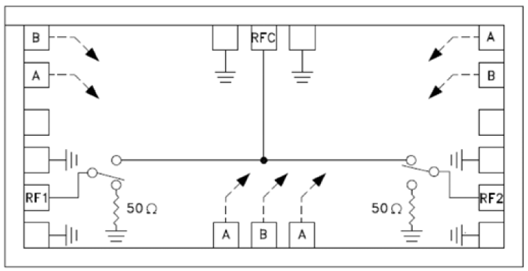
High Isolation SPDT Switch

Analog Devices ADH232S Product Info

10 February 2026 7

Features

ADH232S (Die)
  • Frequency of Operation: DC to 15 GHz
  • Isolation
    • 57 dB @ 3 GHz
    • 50 GHz @ 6 GHz
  • Input P1dB: +30 dBm
  • Insertion Loss: 1.5 dB Typ. @ 6 GHz
  • Screened in accordance with MIL-PRF-38534, Class K
ADH232S (G8 Package)
  • Frequency of Operation: DC to 6 GHz
  • Isolation
    • 48 dB @ 2 GHz
    • 34 dB @ 6 GHz
  • Insertion Loss: 1.5 dB @ 4 GHz Typ.
  • Non-Reflective Design
  • 8-Lead Hermetic SMT Package
  • Screened in accordance with MIL-PRF-38535, Class Level S 

Part details & applications

ADH232S (Die)

The ADH232S is a broadband high isolation non-reflective GaAs MESFET SPDT switch supplied in die form with Class K element evaluation. Covering DC to 15 GHz, the switch features >57dB isolation up to 3 GHz and >45 dB isolation up to 15 GHz. Input P1dB compression is +30 dBm typical, while input IP3 is +48 dBm. The switch operates using complementary negative control voltage logic lines of -5/0V and requires no bias supply.

ADH232S (G8 Package)

The ADH232S is a broadband high isolation non-reflective GaAs MESFET SPDT switch in a 8-Lead hermetic surface mount package. Covering DC to 6 GHz, the switch features >48 dB isolation up to 2 GHz and >34 dB isolation up to 6 GHz. The switch operates using complementary negative control voltage logic lines of -5/0V and requires no bias supply.

Applications

  • Test Instrumentation
  • Military & Space

Subscribe to Welllinkchips !
Your Name
* Email
Submit a request