0
ADG732
  • ADG732
  • ADG732
  • ADG732

ADG732

PRODUCTION

32-Channel, 4 Ω 1.8 V to 5.5 V, ±2.5 V, Analog Multiplexer

Analog Devices ADG732 Product Info

10 February 2026 5

Features

  • 1.8 V to 5.5 V single-supply operation
  • ±2.5 V dual-supply operation
  • On resistance: 4 Ω at 25°C (+5 V single supply/±2.5 V dual supply)
  • 0.5 Ω on-resistance flatness at 25°C (+5 V single supply/ ±2.5 V dual supply)
  • Rail-to-rail operation
  • Transition times: 23 ns typical at 25°C
  • Single 32-to-1 channel multiplexer
  • Dual/differential 16-to-1 channel multiplexer
  • TTL-/CMOS-compatible inputs
  • 48-lead TQFP or 48-lead, 7 mm × 7 mm LFCSP

Part details & applications

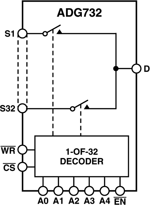
The ADG726/ADG732 are monolithic, complementary metal oxide semiconductor (CMOS) 32-channel and dual 16-channel analog multiplexers. The ADG732 switches one of 32 inputs (S1 to S32) to a common output, D, as determined by the 5-bit binary address lines A0, A1, A2, A3, and A4. The ADG726 switches one of 16 inputs as determined by the 4-bit binary address lines A0, A1, A2, and A3.

On-chip latches facilitate microprocessor interfacing. The ADG726 may also be configured for differential operation by tying CSA and CSB together. An EN input is used to enable or disable the devices. When disabled, all channels are switched off.

These multiplexers are designed on an enhanced submicron process that provides low power dissipation yet gives high switching speed, very low on resistance, and leakage currents. They operate from a single supply of +1.8 V to +5.5 V and a ±2.5 V dual supply, making them ideally suited to a variety of applications. On resistance is in the region of a few ohms and is closely matched between switches and very flat over the full signal range. These devices can operate equally well as either multiplexers or demultiplexers and have an input signal range that extends to the supplies. In the off condition, signal levels up to the supplies are blocked. All channels exhibit break-before-make switching action, preventing momentary shorting when switching channels.

The ADG726/ADG732 are available in a 48-lead LFCSP or a 48-lead TQFP. For functionally equivalent devices with serial interface, see the ADG725/ADG731

PRODUCT HIGHLIGHTS

  1. +1.8 V to +5.5 V single- or ±2.5 V dual-supply operation.
    These devices a

Subscribe to Welllinkchips !
Your Name
* Email
Submit a request