0
ADG711
  • ADG711

ADG711

PRODUCTION

CMOS Low Voltage 2.5 Ω Quad SPST Switch

Analog Devices ADG711 Product Info

10 February 2026 7

Features

  • 1.8 V to 5.5 V Single Supply
  • 2.5 O (Typ) On Resistance
  • Low On-Resistance Flatness
  • -3 dB Bandwidth >200 MHz
  • Rail-to-Rail Operation
  • 16-Lead TSSOP/SOIC packages
  • Fast Switching Times 
    tON 16 ns
    tOFF 10 ns
  • Typical Power Consumption (<0.01 µW )
  • TTL/CMOS Compatible

Part details & applications

The ADG711 is a monolithic CMOS device containing four independently selectable switches. It is designed on an advanced submicron process that provides low power dissipation yet gives high switching speed, low on resistance, low leakage currents and high bandwidth.

They are designed to operate from a single 1.8 V to 5.5 V supply, making them ideal for use in battery-powered instruments and with the new generation of DACs and ADCs from Analog Devices, Inc. Fast switching times and high bandwidth make the parts suitable for switching USB 1.1 data signals and video signals.

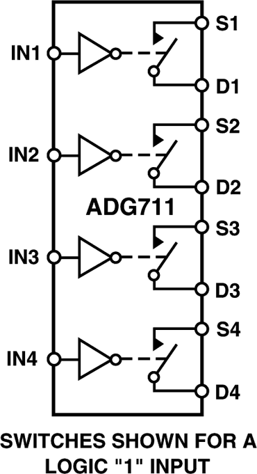
The ADG711, ADG712, and ADG713 contain four independent single-pole/single-throw (SPST) switches. The ADG711 and ADG712 differ only in that the digital control logic is inverted. The ADG711 switches are turned on with a logic low on the appropriate control input, while a logic high is required to turn on the switches of the ADG712. The ADG713 contains two switches whose digital control logic is similar to the ADG711, while the logic is inverted on the other two switches.

Each switch conducts equally well in both directions when On. The ADG713 exhibits break-before-make switching action.

The ADG711 / ADG712 / ADG713 are available in 16-lead TSSOP and 16-lead SOIC packages.

PRODUCT HIGHLIGHTS

  1. 1.8 V to 5.5 V Single-Supply Operation.
    The ADG711, ADG712, and ADG713 offer high performance and are fully specified and guaranteed with 3 V and 5 V supply rails.
  2. Very Low RON (4.5 Ω maximum at 5 V, 8 Ω maximum at 3 V).
    At supply voltage of 1.8 V, RON is typically 35 Ω over the temperature range.
  3. Low On Resistance Flatness.
  4. −3 dB Bandwidth >200 MHz.
  5. Low Power Dissipation. CMOS construction ensures low p

Subscribe to Welllinkchips !
Your Name
* Email
Submit a request