0
ADG3242
  • ADG3242
  • ADG3242

ADG3242

PRODUCTION

2.5 V/3.3 V, 2-Bit, Common Control Level Translator Bus Switch

Analog Devices ADG3242 Product Info

10 February 2026 11

Features

  • 225 ps Propagation Delay through the Switch
  • 4.5 Ω Switch Connection between Ports
  • Data Rate 1.5 Gbps
  • 2.5 V/3.3 V Supply Operation
  • Selectable Level Shifting/Translation
  • 8-Lead SOT-23 Package
  • Level Translation
    - 3.3 V to 2.5 V
    - 3.3 V to 1.8 V
    - 2.5 V to 1.8 V
  • Small Signal Bandwidth 710 MHz

Part details & applications

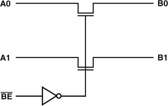
The ADG3242 is a 2.5 V or 3.3 V, 2-bit, 2-port common-control digital switch. It is designed on a low voltage CMOS process, which provides low power dissipation yet gives high switching speed and very low on resistance. This allows the inputs to be connected to the outputs without additional propagation delay or generating additional ground bounce noise.

These switches are enabled by means of a common bus enable (BE) input signal. This digital switch allows a bidirectional signal to be switched when ON. In the OFF condition, signal levels up to the supplies are blocked.

This device is ideal for applications requiring level translation. When operated from a 3.3 V supply, level translation from 3.3 V inputs to 2.5 V outputs is allowed. Similarly, if the device is operated from a 2.5 V supply and 2.5 V inputs are applied, the device will translate the outputs to 1.8 V. In addition, a level translating select pin (SEL) is included. When SEL is low, VCC is reduced internally, allowing for level translation between 3.3 V inputs and 1.8 V outputs. This makes the device suitable for applications requiring level translation between different supplies, such as converter to DSP/microcontroller interfacing.

Subscribe to Welllinkchips !
Your Name
* Email
Submit a request