0
ADF5001
  • ADF5001
  • ADF5001

ADF5001

PRODUCTION

4 GH z TO 18 GH z Divide-by-4 Prescaler

Analog Devices ADF5001 Product Info

10 February 2026 11

Features

  • Divide-by-4 prescaler
  • High frequency operation: 4 GHz to 18 GHz
  • Integrated RF decoupling capacitors
    • Active mode: 30 mA
    • Power-down mode: 7 mA
  • Low phase noise: −150 dBc/Hz
  • Single dc supply: 3.3 V compatible with ADF4xxx PLLs
  • Temperature range: −40°C to +105°C
  • Small package: 3 mm × 3 mm LFCSP

Part details & applications

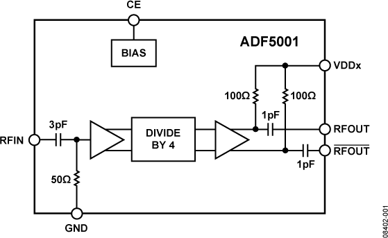
The ADF5001 prescaler is a low noise, low power, fixed RF divider block that can be used to divide down frequencies as high as 18 GHz to a lower frequency suitable for input into a PLL IC, such as the ADF4156 or ADF4106. The ADF5001 provides a divide-by-4 function. The ADF5001 operates off a 3.3 V supply and has differential 100 Ω RF outputs to allow direct interface to the differential RF inputs of PLLs such as the ADF4156 and ADF4106.

Applications

  • PLL frequency range extender
  • Point-to-point radios
  • VSAT radios
  • Communications test equipment
  • Subscribe to Welllinkchips !
    Your Name
    * Email
    Submit a request