0
ADF4218L
  • ADF4218L
  • ADF4218L

ADF4218L

PRODUCTION

Low Power dual RF/IF Integer-N PLL

Analog Devices ADF4218L Product Info

10 February 2026 10

Features

  • Low Phase Noise
  • Separate VP allows extended tuning range
  • 2.6V to 3.3V single Power supply
  • TSSOP and chip scale package available
  • Programmable charge pump currents
  • 1.8V Logic compatibility
  • Low current consumption (7.0mA total Idd)
  • Selectable dual modulus prescaler values
  • ADF4219L is a Phase noise upgrade to LMX2370

Part details & applications

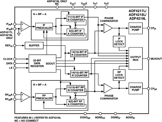
The ADF4218L Synthesizer IC when combined with a VCO and loop filter forms a complete phased locked loop (PLL). This solution from ADI creates state-of-the-art LO's (local oscillator) for the upconversion and downconversion of RF signals in Wireless applications. The PLL consists of a low noise digital phase frequency detector (PFD), a precision charge pump, a programmable reference divider, programmable A and B counters and a dual-modulus prescaler (P/P+1).

The ADF4217L and ADF4218L are low current consumption improvements on the released ADF4217 and ADF4218 and are available in TSSOP and MLF (LFCSP). The ADF4219L is a Phase Noise upgrade & pin compatible to the LMX2370 from National Semiconductor and is available in both TSSOP and MLF (Cason).

Sales Collateral Available: Full data sheet with performance graphs, press release, circuit simulation included in ADISimPLL released on February 1, 2002, evaluation board and software available.

Subscribe to Welllinkchips !
Your Name
* Email
Submit a request