0
LTC6804-1
  • LTC6804-1
  • LTC6804-1
  • LTC6804-1
  • LTC6804-1

LTC6804-1

NOT RECOMMENDED FOR NEW DESIGNS

12 Channel Multicell Battery Monitor with Daisy Chain Interface, Generation 3

Analog Devices LTC6804-1 Product Info

10 February 2026 9

Features

  • Measures Up to 12 Battery Cells in Series
  • Stackable Architecture Supports 100s of Cells
  • Built-In isoSPI Interface:
    • 1Mbps Isolated Serial Communications
    • Uses a Single Twisted Pair, Up to 100 Meters
    • Low EMI Susceptibility and Emissions
  • 1.2mV Maximum Total Measurement Error
  • 290μs to Measure All Cells in a System
  • Synchronized Voltage and Current Measurement
  • 16-Bit Delta-Sigma ADC with Frequency Programmable 3rd Order Noise Filter
  • Engineered for ISO26262 Compliant Systems
  • Passive Cell Balancing with Programmable Timer
  • 5 General Purpose Digital I/O or Analog Inputs:
    • Temperature or other Sensor Inputs
    • Configurable as an I2C or SPI Master
  • 4μA Sleep Mode Supply Current
  • 48-Lead SSOP Package

Part details & applications

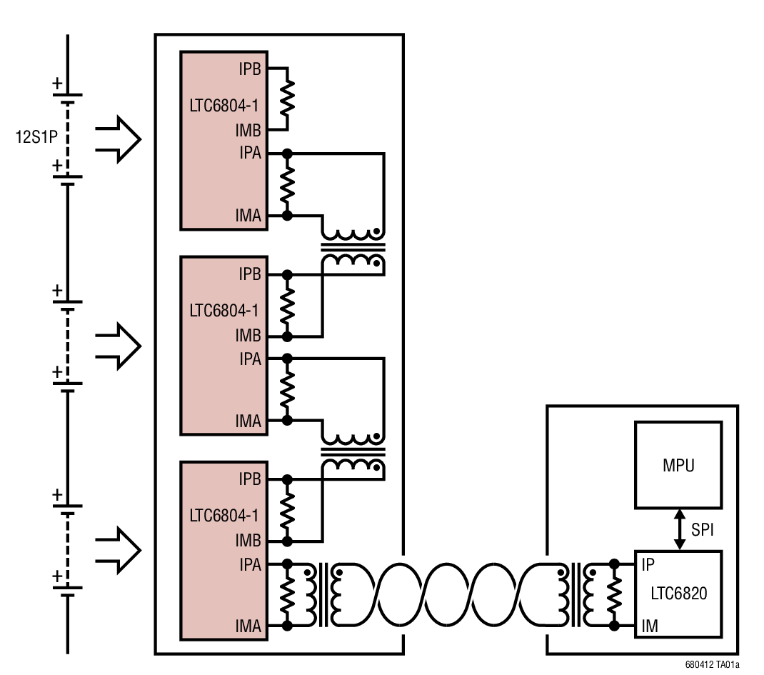
The LTC6804 is a 3rd generation multicell battery stack monitor that measures up to 12 series connected battery cells with a total measurement error of less than 1.2mV. The cell measurement range of 0V to 5V makes the LTC6804 suitable for most battery chemistries. All 12 cell voltages can be captured in 290μs, and lower data acquisition rates can be selected for high noise reduction.

Multiple LTC6804 devices can be connected in series, permitting simultaneous cell monitoring of long, high voltage battery strings. Each LTC6804 has an isoSPI interface for high speed, RF-immune, local area communications. Using the LTC6804-1, multiple devices are connected in a daisy-chain with one host processor connection for all devices. Using the LTC6804-2, multiple devices are connected in parallel to the host processor, with each device individually addressed.

Additional features include passive balancing for each cell, an onboard 5V regulator, and 5 general purpose I/O lines. In sleep mode, current consumption is reduced to 4μA. The LTC6804 can be powered directly from the battery, or from an isolated supply.

Applications

  • Electric and Hybrid Electric Vehicles
  • Backup Battery Systems
  • Grid Energy Storage
  • High Power Portable Equipment

Subscribe to Welllinkchips !
Your Name
* Email
Submit a request