0
ADCLK905
  • ADCLK905
  • ADCLK905

ADCLK905

RECOMMENDED FOR NEW DESIGNS

Ultrafast SiGe ECL Clock/Data Buffers

Analog Devices ADCLK905 Product Info

10 February 2026 5

Features

  • 95 ps propagation delay
  • 7.5 GHz toggle rate
  • 60 ps typical output rise/fall
  • 60 fs random jitter (RJ)
  • On-chip terminations at both input pins
  • Extended industrial temperature range: −40°C to +125°C
  • 2.5 V to 3.3 V power supply (VCC − VEE)

Part details & applications

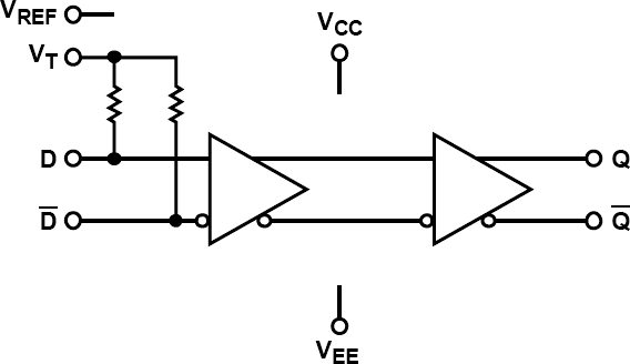
The ADCLK905 (one input, one output), ADCLK907 (dual one input, one output), and ADCLK925 (one input, two outputs) are ultrafast clock/data buffers fabricated on the Analog Devices, Inc., proprietary XFCB3 silicon germanium (SiGe) bipolar process.

The ADCLK905/ADCLK907/ADCLK925 feature full-swing emitter coupled logic (ECL) output drivers. For PECL (positive ECL) operation, bias VCC to the positive supply and VEE to ground. For NECL (negative ECL) operation, bias VCC to ground and VEE to the negative supply.

The buffers offer 95 ps propagation delay, 7.5 GHz toggle rate, 10 Gbps data rate, and 60 fs random jitter (RJ).

The inputs have center tapped, 100 Ω, on-chip termination resistors. A VREF pin is available for biasing ac-coupled inputs.

The ECL output stages are designed to directly drive 800 mV each side into 50 Ω terminated to VCC − 2 V for a total differential output swing of 1.6 V.

The ADCLK905/ADCLK907/ADCLK925 are available in 16-lead LFCSP packages.

Applications

  • Clock and data signal restoration and level shifting
  • Automated test equipment (ATE)
  • High speed instrumentation
  • High speed line receivers
  • Threshold detection
  • Converter clocking

Subscribe to Welllinkchips !
Your Name
* Email
Submit a request