0
LTC2355-12
  • LTC2355-12
  • LTC2355-12
  • LTC2355-12

LTC2355-12

PRODUCTION

Serial 12-Bit, 3.5Msps Sampling ADCs with Shutdown

Analog Devices LTC2355-12 Product Info

10 February 2026 9

Features

  • 3.5Msps Conversion Rate
  • 74.2dB SINAD at 14-Bits, 71.1dB SINAD at 12-Bits
  • Low Power Dissipation: 18mW
  • 3.3V Single Supply Operation
  • 2.5V Internal Bandgap Reference can be Overdriven
  • 3-Wire SPI-Compatible Serial Interface
  • Sleep (13μW) Shutdown Mode
  • Nap (4mW) Shutdown Mode
  • 80dB Common Mode Rejection
  • 0V to 2.5V Unipolar Input Range
  • Tiny 10-Lead MSOP Package

Part details & applications

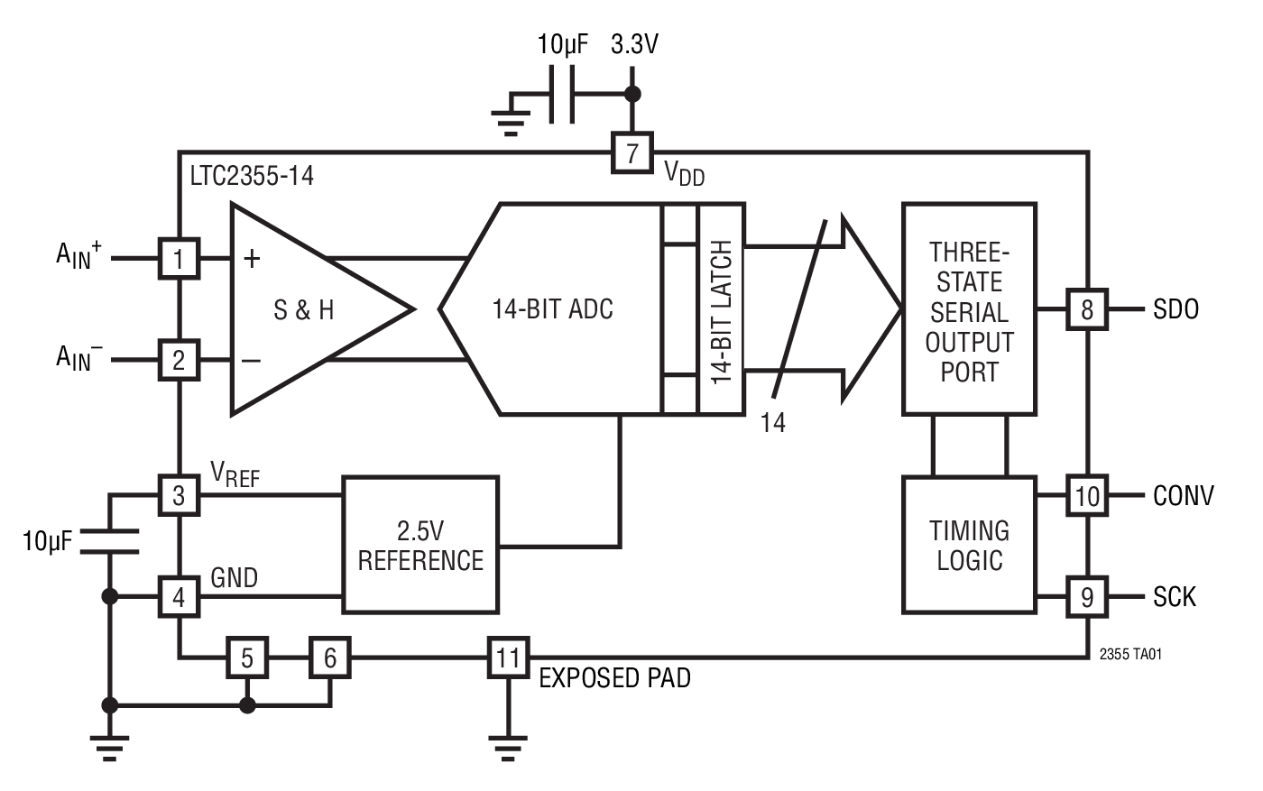
The LTC2355-12/LTC2355-14 are 12-bit/14-bit, 3.5Msps serial ADCs with differential inputs. The devices draw only 5.5mA from a single 3.3V supply and come in tiny 10-lead MSOP package. A Sleep shutdown feature further reduces power consumption to 13μW. The combination of speed, low power and tiny package makes the LTC2355-12/LTC2355-14 suitable for high speed, portable applications.

The 80dB common mode rejection allows users to eliminate ground loops and common mode noise by measuring signals differentially from the source.

The devices convert 0V to 2.5V unipolar inputs differentially. The absolute voltage swing for AIN+ and AIN extends from ground to the supply voltage.

The serial interface sends out the conversion results during the 16 clock cycles following a CONV rising edge for compatibility with standard serial interfaces. If two additional clock cycles for acquisition time are allowed after the data stream in between conversions, the full sampling rate of 3.5Msps can be achieved with a 63MHz clock.

Bits
LTC2355-12 12
LTC2355-14 14