0
ADBMS2950B
  • ADBMS2950B
  • ADBMS2950B

ADBMS2950B

RECOMMENDED FOR NEW DESIGNS

Battery Pack Monitor

Analog Devices ADBMS2950B Product Info

10 February 2026 16

Features

  • Battery pack current measurement
    • Buffered analog inputs
    • Continuous operation option
    • Lossless measurement for coulomb counting
    • 1 ms update rate
    • ±0.1% maximum gain error
    • ±1 µV maximum offset
    • Redundant implementation
  • Battery pack voltage measurement
    • Buffered analog inputs
    • Synchronous with current measurement
    • Differential and single-ended mode
    • Redundant implementation
  • 10 additional voltage measurement channels
    • Buffered analog inputs
    • On-demand operation
    • Differential and single-ended mode
    • Redundant implementation
  • Overcurrent detection
    • Triple redundancy with majority voting
    • PWM output options
  • Built-in isoSPI interface
    • 2 Mbps isolated serial communications
    • Capacitor or transformer coupled
    • Daisy-chaining option
    • 4-wire SPI option
  • General-purpose digital IO
    • Six general-purpose outputs (GPOs)
    • Dual threshold read-back of GPOs
    • Four GPIOs configurable as an I2C or SPI controller
  • 48-Lead side-solderable QFN package

Part details & applications

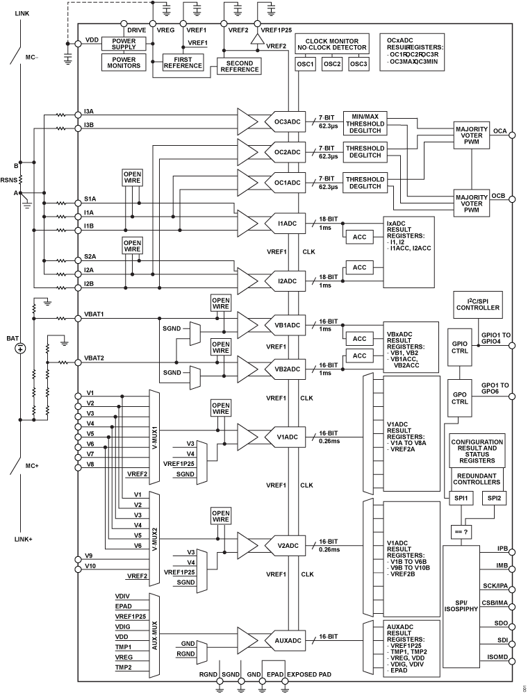
The ADBMS2950B is a battery pack monitor for current or voltage sense applications. It measures the current flowing in and out of a battery pack by sensing the voltage drop over a shunt resistor with a very low offset.

The ADBMS2950B also detects overcurrent conditions using fast overcurrent analog-to-digital converters (ADCs) with digital threshold comparators and communicate their results through dedicated overcurrent alert lines with minimum delay. It features a total of 12 internally buffered high impedance inputs for measuring voltages from external sensors or resistor-dividers, enabling measurement of pack voltages, temperatures, HV-Link voltages, chassis isolation, and the supervision of the state of contactors and fuses.

Six digital outputs (GPOs) supporting open-drain or push-pull can be used to control high voltage transistors to disconnect external resistor-dividers. Four digital general-purpose inputs/outputs (GPIOs) also allow operation as an I2C or SPI controller interface to address an external electronically erasable programmable read‐only memory (EEPROM) or other serial peripherals.

The built-in serial interface of the ADBMS2950B can be configured for SPI or isolated isoSPI communication to the host. An additional isoSPI port allows to connect a daisy-chain of the ADBMS2950B devices, which is optionally extended with the ADBMS6830B cell monitor.

Applications

  • Backup battery systems
  • Grid energy storage

Subscribe to Welllinkchips !
Your Name
* Email
Submit a request