0
AD9778A
  • AD9778A
  • AD9778A

AD9778A

PRODUCTION

Dual, 14-Bit, 1 GSPS, Digital-to-Analog Converter

Analog Devices AD9778A Product Info

10 February 2026 4

Features

  • Low power: 1.0 W @ 1 GSPS, 600 mW @ 500 MSPS, full operating conditions
  • Single carrier W-CDMA ACLR = 80 dBc @ 80 MHz IF
  • Analog output: adjustable 8.7 mA to 31.7 mA, RL = 25 Ω to 50 Ω
  • Novel 2×, 4×, and 8× interpolator/coarse complex modulator allows carrier placement anywhere in DAC bandwidth
  • Auxiliary DACs allow control of external VGA and offset control
  • Multiple chip synchronization interface
  • High performance, low noise PLL clock multiplier
  • Digital inverse sinc filter
  • 100-lead, exposed paddle TQFP

Part details & applications

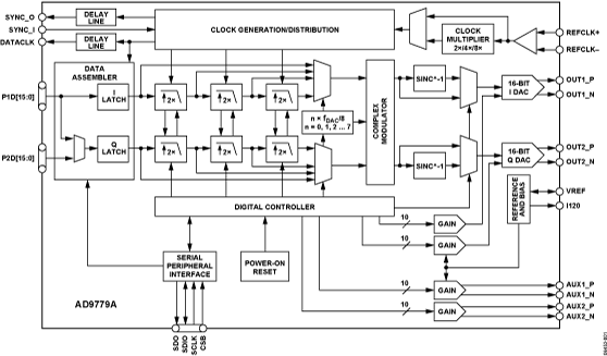
The AD9776A/AD9778A/AD9779A are dual, 12-/14-/16-bit, high dynamic range digital-to-analog converters (DACs) that provide a sample rate of 1 GSPS, permitting a multicarrier generation up to the Nyquist frequency. They include features optimized for direct conversion transmission applications, including complex digital modulation and gain and offset compensation. The DAC outputs are optimized to interface seamlessly with analog quadrature modulators such as the ADL537x FMOD series from Analog Devices, Inc. A 3-wire interface provides for programming/readback of many internal parameters. Full-scale output current can be programmed over a range of 10 mA to 30 mA. The devices are manufactured on an advanced 0.18 μm CMOS process and operate on 1.8 V and 3.3 V supplies for a total power consumption of 1.0 W. They are enclosed in a 100-lead thin quad flat package (TQFP).

Product Highlights

  1. Ultralow noise and intermodulation distortion (IMD) enable high quality synthesis of wideband signals from baseband to high intermediate frequencies.
  2. A proprietary DAC output switching technique enhances dynamic performance.
  3. The current outputs are easily configured for various single-ended or differential circuit topologies.
  4. CMOS data input interface with adjustable setup and hold.
  5. Novel 2×, 4×, and 8× interpolator/coarse complex modulator allows carrier placement anywhere in DAC bandwidth.

Applications

  • Wireless infrastructure W-CDMA, CDMA2000, TD-SCDMA, WiMax, GSM, LTE
  • Digital high or low IF synthesis
  • Internal digital upconversion capability
  • Transmit diversity
  • Wideband communications: LMDS/MMDS, point-to-point

Subscribe to Welllinkchips !
Your Name
* Email
Submit a request