0
AD9778
  • AD9778
  • AD9778

AD9778

PRODUCTION

Dual 14-Bit, 1 GSPS, Digital-to-Analog Converter

Analog Devices AD9778 Product Info

10 February 2026 11

Features

  • Low power: 1.0 W @ 1 GSPS, 600 mW @ 500 MSPS, full operating conditions
  • SFDR = 78 dBc to fOUT = 100 MHz
  • Single carrier WCDMA ACLR = 79 dBc @ 80 MHz IF
  • Novel 2×, 4×, and 8× interpolator/coarse complex modulator allows carrier placement anywhere in DAC bandwidth
  • Analog output: adjustable 8.7 mA to 31.7 mA, RL = 25 Ω to 50 Ω
  • Auxiliary DACs allow control of external VGA and offset control
  • Multiple chip synchronization interface
  • High performance, low noise PLL clock multiplier
  • Digital inverse sinc filter
  • 100-lead, exposed paddle TQFP package

Part details & applications

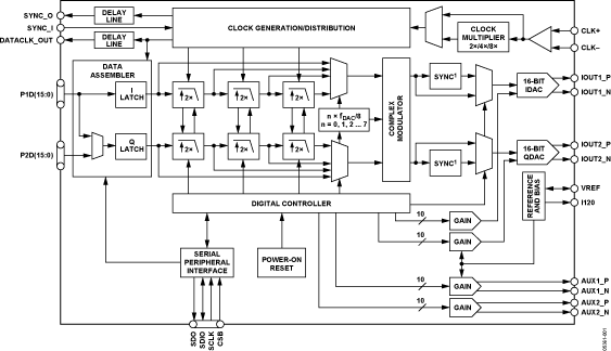
The AD9776 / AD9778 / AD9779 are dual, 12-/14-/16-bit, high dynamic range, digital-to-analog converters (DACs) that provide a sample rate of 1 GSPS, permitting multicarrier generation up to the Nyquist frequency. They include features optimized for direct conversion transmit applications, including complex digital modulation, and gain and offset compensation. The DAC outputs are optimized to interface seamlessly with analog quadrature modulators such as the AD8349. A serial peripheral interface (SPI®) provides for programming/readback of many internal parameters. Full-scale output current can be programmed over a range of 10 mA to 30 mA. The devices are manufactured on an advanced 0.18 μm CMOS process and operate on 1.8 V and 3.3 V supplies for a total power consumption of 1.0 W. They are enclosed in 100-lead TQFP packages.

PRODUCT HIGHLIGHTS

  1. Ultralow noise and intermodulation distortion (IMD) enable high quality synthesis of wideband signals from baseband to high intermediate frequencies.
  2. A proprietary DAC output switching technique enhances dynamic performance.
  3. The current outputs are easily configured for various single-ended or differential circuit topologies.
  4. CMOS data input interface with adjustable set up and hold.
  5. Novel 2×, 4×, and 8× interpolator/coarse complex modulator allows carrier placement anywhere in DAC bandwidth.

APPLICATIONS

  • Wireless infrastructure
    WCDMA, CDMA2000, TD-SCDMA, WiMax, GSM
  • Digital high or low IF synthesis
  • Internal digital upconversion capability
  • Transmit diversity
  • Wideband communications: LMDS/MMDS, point-to-point

Subscribe to Welllinkchips !
Your Name
* Email
Submit a request