0
AD9637
  • AD9637
  • AD9637

AD9637

RECOMMENDED FOR NEW DESIGNS

Octal, 12-Bit, 40/80 MSPS Serial LVDS 1.8 V A/D Converter

Analog Devices AD9637 Product Info

10 February 2026 7

Features

  • Low power: 60 mW per channel at 80 MSPS with scalable power options
  • SNR = 71.5 dBFS (to Nyquist)
  • SFDR = 92 dBc (to Nyquist)
  • 650 MHz full-power analog bandwidth
  • 2 Vp-p input voltage range
  • 1.8 V supply operation
  • See datasheet for additional features

Part details & applications

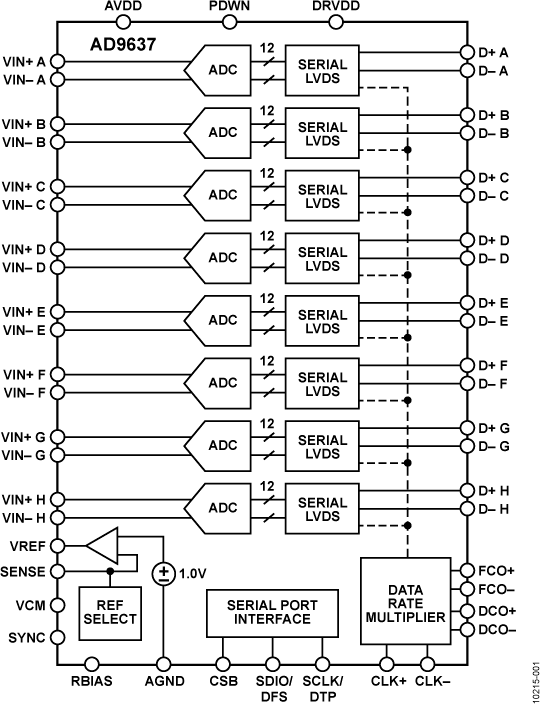
The AD9637 is an octal, 12-bit, 40/80 MSPS analog-to-digital converter (ADC) with an on-chip sample-and-hold circuit designed for low cost, low power, small size, and ease of use. The product operates at a conversion rate of up to 80 MSPS and is optimized for outstanding dynamic performance and low power in applications where a small package size is critical.

The ADC requires a single 1.8 V power supply and LVPECL-/ CMOS-/LVDS-compatible sample rate clock for full performance operation. No external reference or driver components are required for many applications.

The ADC automatically multiplies the sample rate clock for the appropriate LVDS serial data rate. A data clock output (DCO) for capturing data on the output and a frame clock output (FCO) for signaling a new output byte are provided. Individual channel power-down is supported and typically consumes less than 2 mW when all channels are disabled.

The ADC contains several features designed to maximize flexibility and minimize system cost, such as programmable clock and data alignment and programmable digital test pattern generation. The available digital test patterns include built-in deterministic and pseudorandom patterns, along with custom user-defined test patterns entered via the serial port interface (SPI).

The AD9637 is available in a RoHS-compliant, 64-lead LFCSP. It is specified over the industrial temperature range of −40°C to +85°C. This product is protected by a U.S. patent.

APPLICATIONS

  • Medical imaging and nondestructive ultrasound
  • Portable ultrasound and digital beam-forming systems
  • Quadrature radio receivers
  • Diversity radio receivers
  • Optical networking
  • Test equipment

PRODUCT HIGHLIGHTS

  1. Small Footprint. Eight ADCs are contained in a small, space-saving package.

Subscribe to Welllinkchips !
Your Name
* Email
Submit a request