0
AD9248
  • AD9248
  • AD9248

AD9248

PRODUCTION

Dual 14-Bit, 20/40/65 MSPS, 3 V Analog-to-Digital Converter

Analog Devices AD9248 Product Info

10 February 2026 16

Features

  • Integrated Dual 14-Bit Analog-to-Digital Converters
  • Single 3 V Supply Operation (2.7 V to 3.6 V)
  • SNR = 71.6 dBc (to Nyquist, AD9248-65)
  • SFDR = 80 dBc (to Nyquist, AD9248-65)
  • Low Power: 300 mW at 65 MSPS
  • Differential Input with 500 MHz 3 dB Bandwidth
  • Exceptional Cross Talk Immunity > 85 dB
  • On-Chip Reference and SHA
  • Flexible Analog Input: 1 Vp-p to 2 Vp-p Range
  • Offset Binary or Twos Complement Data Format
  • Clock Duty Cycle Stabilizer
  • Output datamux option

Part details & applications

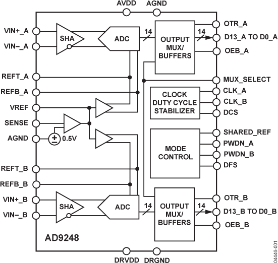
The AD9248 is a dual, 3 V, 14-bit, 20/40/65 MSPS analog to digital converter. It features dual high performance sample-and-hold amplifiers and an integrated voltage reference. The AD9248 uses a multistage differential pipelined architecture with output error correction logic to provide 14-bit accuracy and guarantee no missing codes over the full operating temperature range at up to 65 MSPS data rates.

The wide bandwidth, differential SHA allows for a variety of user-selectable input ranges and offsets including single-ended applications. It is suitable for various applications including multiplexed systems that switch full-scale voltage levels in successive channels and for sampling inputs at frequencies well beyond the Nyquist rate. The AD9248 is suitable for applications in communications, imaging and medical ultrasound.

Dual single-ended independent clock inputs are used to control all internal conversion cycles. A Duty Cycle Stabilizer (DCS) is available on the AD9248-65 and can compensate for wide variations in the clock duty cycle, allowing the converters to maintain excellent performance. The digital output data is presented in either straight binary or twos complement format. Out-of-range signals indicate an overflow condition, which can be used with the most significant bit to determine low or high overflow.

Fabricated on an advanced CMOS process, the AD9248 is available in a space saving 64-pin LQFP and is pin compatible to the AD9238. It is specified over the industrial temperature range (-40°C to +85°C).

APPLICATIONS

  • Ultrasound equipment
  • Direct conversion or IF sampling receivers
    WB-CDMA, CDMA2000,WiMAX
  • Battery-powered instruments
  • Hand-held scopemeters
  • Low cost digital oscilloscopes

Subscribe to Welllinkchips !
Your Name
* Email
Submit a request