0
AD8382
  • AD8382
  • AD8382

AD8382

NOT RECOMMENDED FOR NEW DESIGNS

High Performance 12-Bit, 6-Channel Output, Decimating LCD DecDriver®

Analog Devices AD8382 Product Info

10 February 2026 10

Features

  • High accuracy, high resolution voltage outputs
  • Fast settling, high voltage drive
  • High update rates
  • Voltage controlled video reference (brightness) and full-scale (contrast) output levels
  • Flexible logic
  • Output overload protection
  • Low static power dissipation: 743 mW
  • 3.3V logic, 9V to 18V analog supplies
  • Available in 48-lead 7mm × 7mm LFCSP

Part details & applications

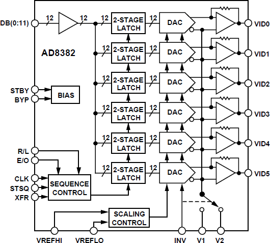
The AD8382 DecDriver provides a fast, 12-bit latched decimating digital input that drives six high voltage outputs. 12-bit input words are sequentially loaded into six separate, high speed, bipolar DACs. A flexible digital input format allows several AD8382s to be used in parallel for higher resolution displays.

STSQ synchronizes sequential input loading, XFR controls synchronous output updating, and R/L controls the direction of loading as either left-to-right or right-to-left. Six channels of high voltage output drivers drive to within 1.3V of the rail. The output signal can be adjusted for dc reference, signal inversion, and contrast for maximum flexibility

The AD8382 is fabricated on Analog Devices' XFHV, fast bipolar 26V process, providing fast input logic bipolar DACs with trimmed accuracy and fast settling, high voltages, precision drive amplifiers on the same chip. The AD8382 dissipates 743 mW nominal static power. The STBY pin reduces power to a minimum, with fast recovery

Subscribe to Welllinkchips !
Your Name
* Email
Submit a request