0
MAX25239
  • MAX25239
  • MAX25239

MAX25239

RECOMMENDED FOR NEW DESIGNS

Automotive 2V to 36V, 6A Buck-Boost Converters Industry's only 6A Automotive Buck-Boost with Integrated H-Bridge Switches

Analog Devices MAX25239 Product Info

10 February 2026 6

Features

  • Meets Stringent Automotive Quality and Reliability Requirements
    • 2V to 36 Operating Input Voltage Range Allows Operation in Cold-Crank Conditions
    • Tolerates Input Transients up to 42V
    • EN Pin Compatible up to 42V
    • 8.2A/10A Typical Input Current Limit
    • Fixed and Adjustable Output Voltage Options
    • -40°C to +125°C Grade 1 Automotive Temperature Range
  • AEC-Q100 Qualified High Integration and Thermally Enhanced Package Reduces BOM Cost and Board Space
    • Integrated FETs H-Bridge Architecture
    • 2.1MHz/400kHz/200kHz Switching Frequency Options
    • Phase-Locked Loop (PLL) Frequency Synchronization
    • Thermally Enhanced, 22-Pin and 18-Pin FC2QFN Packages
  • Low Quiescent Current Meets Stringent OEM Current Requirements
    • 95μA Quiescent Current in Standby Mode
    • 10μA Maximum Shutdown Current
  • Reduced EMI Emissions at Switching Frequency
    • Spread-Spectrum Function Enabled/Disabled by SPS Pin
  • Protection Features Improve System Reliability
    • Supply Undervoltage Lockout and Thermal Protection
    • Output PGOOD Indicator, Overvoltage, and Short-Circuit Protection

Part details & applications

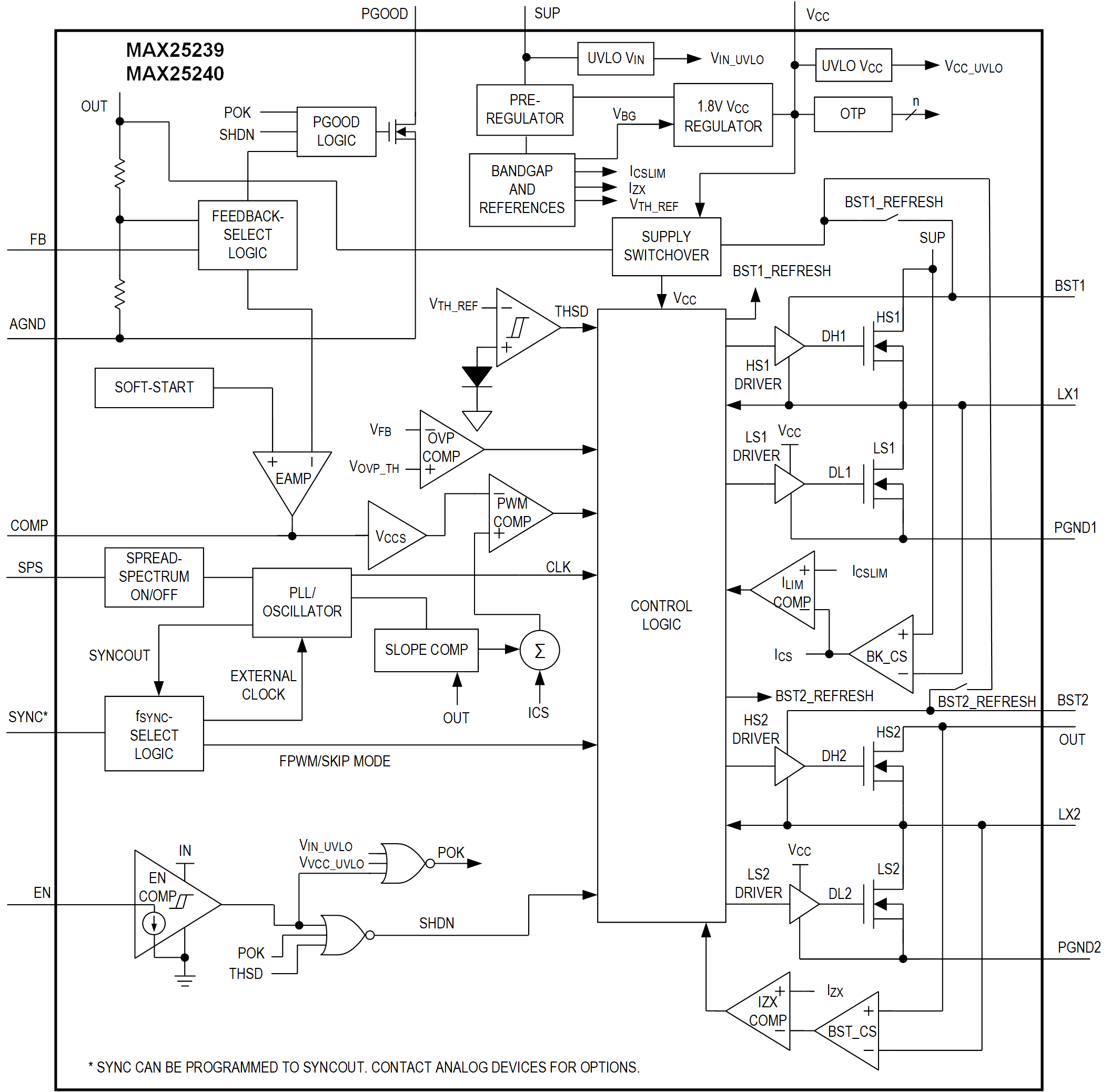
The MAX25239/MAX25240 are small, synchronous, buck-boost converters with integrated H-bridge switches. These ICs provide a fixed-output regulation voltage and an externally adjustable output voltage in the 3V to 20V range with an input voltage above, below, or equal to the output regulation voltage. The ICs have typical 8.2A and 10A input current limit options and can support continuous load currents up to 6A depending on the input-to-output voltage ratio and operating frequency. It also has a wide input voltage range of 2V to 36V.  

The MAX25239/MAX25240 have three switching frequency options: 2.1MHz, 400kHz, and 200kHz. The 2.1MHz high switching frequency allows small external components and reduced output ripple, and guarantees no AM band interference, while the 400kHz or 200kHz switching frequency offers better efficiency and relieves the power consumption concern. The SYNC input allows three operation modes: skip mode with ultra-low quiescent current, forced fixed-frequency PWM operation, and synchronization to an external clock. The IC also includes spread-spectrum frequency modulation to minimize EMI interference.

The MAX25239/MAX25240 feature a power-OK (POK) indicator, undervoltage lockout, overvoltage protection, cycle-by-cycle current limit, and thermal shutdown. The ICs are available in a small, 4.25mm x 4.25mm x 0.75mm, 22-pin FC2QFN and 5.00mm x 5.00mm x 0.75mm, 18-pin FCQFN packages.

 

Applications

  • ADAS ECU
  • Body Electronics
  • Infotainment Systems
  • Point-of-Load Power Supplies
  • Start-Stop Systems

Subscribe to Welllinkchips !
Your Name
* Email
Submit a request