0
AD7782
  • AD7782

AD7782

PRODUCTION

2-Channel, Read-Only, Pin-Configured, 24-bit Sigma-Delta ADC

Analog Devices AD7782 Product Info

10 February 2026 8

Features

  • 2-Channel, 24-Bit Σ-Δ ADC
    Pin Configurable (No Programmable Registers)
    Pin Selectable Input Channels
    Pin Programmable Input Ranges (±2.56 V or ±160 mV)
  • Fixed 19.79 Hz Update Rate
  • Simultaneous 50 Hz and 60 Hz Rejection
  • 24-Bit No Missing Codes
  • Interface
    Master or Slave Mode of Operation
  • Power
    Specified for Single 3 V and 5 V Operation
    Normal: 1.3 mA @ 3 V
    Power-Down: 9 µA
  • See data sheet for additional features

Part details & applications

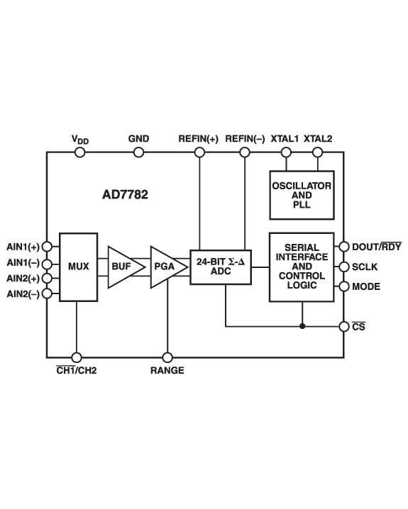
The AD7782 is a complete analog front end for low-frequency measurement applications. The 24-bit sigma-delta ADC contains two fully differential analog input channels that can be configured with a gain of 1 or 16 allowing full-scale input signal ranges of ±2.56 V or ± 160 mV from a +2.5 V differential reference input.

The AD7782 has an extremely simple, read-only digital interface which can be operated in master mode or slave mode. There are no on-chip registers to be programmed. The input signal range and input channel selection are configured using two external pins.

The device operates from a 32.768 kHz crystal with an on-chip PLL generating the required internal operating frequency. The output data rate from the part is fixed via the master clock at 19.79 Hz and provides simultaneous 50 Hz and 60 Hz rejection at this update rate. Eighteen-bit p-p resolution can be obtained at this update rate.

The part operates from a single 3 V or 5 V supply. When operating from 3 V supplies, the power dissipation for the part is 3.9 mW. The AD7782 is available in a 16-lead TSSOP package.

Another part in the AD778x family is the AD7783. It is similar to the AD7782 except it has two integrated current sources and only one differential input channel.

APPLICATIONS

  • Sensor Measurement
  • Industrial Process Control
  • Temperature Measurement
  • Pressure Measurements
  • Weigh Scales
  • Portable Instrumentation

Subscribe to Welllinkchips !
Your Name
* Email
Submit a request