0
MAX5986C
  • MAX5986C

MAX5986C

PRODUCTION

IEEE 802.3af-Compliant, High-Efficiency, Class 1/Class 2, Powered Devices with Integrated DC-DC Converter Highly Integrated Powered Devices Reduce BOM Cost and Improve Efficiency

Analog Devices MAX5986C Product Info

10 February 2026 5

Features

  • High Integration Saves Space and BOM Cost
    • Efficient, Integrated DC-DC Converter (with Integrated Switches)
    • Built-In Output-Voltage Monitoring
    • Protects Against Overload, Output Short Circuit, Output Overvoltage, and Overtemperature
    • Integrated TVS Diode Withstands Cable Discharge Event (CDE)
    • Internal LDO Regulator with Up to 100mA Load (MAX5987A)
  • IEEE 802.3af-Compliant Features Reduce Design Time
    • PoE Class 1/Class 2 Classification Set with Single Resistor
    • Intelligent Maintain Power Signature (MPS) Complies with IEEE 802.3af Specification
    • Simplified Wall Adapter Interface
    • Pass 2kV, 200m CAT-6 Cable Discharge Event
  • High Efficiency During Light Loads Reduces Power Consumption
    • Sleep and Ultra-Low-Power Mode (MAX5986A/MAX5986B/MAX5986C)
    • Frequency Foldback for High-Efficiency Light-Load Operation
    • Back-Bias Capability to Optimize the Efficiency
  • Robust Performance
    • 8.7V to 60V Wide Input Voltage Range
    • Hiccup-Mode Runaway Current Limit
    • 49mA (typ) Inrush Current Limit
    • Open-Drain (Active-Low RESET) Output (MAX5987A)
  • Flexible and Easy to Design With
    • 3.0V to 14V Programmable Output Voltage Range
    • Internal Compensation
    • Fixed 215kHz/430kHz Switching Frequency
    • Fixed 3.3V or Adjustable Output Voltage through an External Resistive Divider

Part details & applications

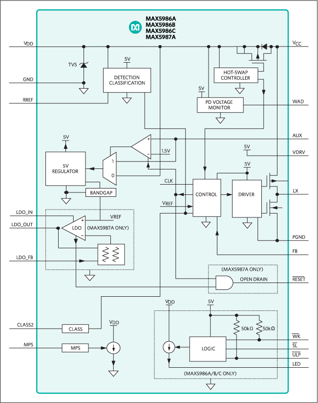
The MAX5986A–MAX5986C/MAX5987A provide a complete power-supply solution as IEEE® 802.3af-compliant Class 1/Class 2 Powered Devices (PDs) in a Power-over-Ethernet (PoE) system. The devices integrate the PD interface with an efficient DC-DC converter, offering a low external part count PD solution. The MAX5987A includes a low-dropout regulator and the MAX5986A–MAX5986C include sleep and ultra-low power modes.

The PD interface provides a detection signature and a Class 1/Class 2 classification signature with a single external resistor. The PD interface also provides an isolation power MOSFET, a 60mA (max) inrush current limit, and a 323mA operating current limit.

The integrated step-down DC-DC converter uses a peak current-mode control scheme and provides an easy-to-implement architecture with a fast transient response. The step-down converter operates in a wide input voltage range from 8.7V to 60V and supports up to 6.49W of input power. The MAX5986A/MAX5986B/MAX5987A operate at a fixed 215kHz switching frequency and the MAX5986C operates at a fixed 430kHz switching frequency. The DC-DC converter operates at a fixed switching frequency, with an efficiency-boosting frequency foldback that reduces the switching frequency by half at light loads.

The devices feature an input undervoltage-lockout (UVLO) with wide hysteresis and long deglitch time to compensate for twisted-pair cable resistive drop and to assure glitch-free transition during power-on/-off conditions. The devices also feature overtemperature shutdown, short-circuit protection, output overvoltage protection, and hiccup current limit for enhanced performance and reliability.

The MAX5986A–MAX5986C/MAX5987A are available in a 16-pin, 5mm x 5mm, TQFN power package and operate over the -40°C to +85°C temperature range.

Subscribe to Welllinkchips !
Your Name
* Email
Submit a request