0
AD7685
  • AD7685
  • AD7685

AD7685

PRODUCTION

16-Bit, 250 kSPS PulSAR® ADC in MSOP/QFN

Analog Devices AD7685 Product Info

10 February 2026 7

Features

  • 16-bit resolution with no missing codes
  • Throughput: 250 kSPS
  • INL: ±0.6 LSB typical, ±2 LSB maximum (±0.003% of FSR)
  • SINAD: 93.5 dB @ 20 kHz
  • THD: −110 dB @ 20 kHz
  • Pseudo differential analog input range 0 V to VREF with VREF up to VDD
  • No pipeline delay
  • Daisy-chain multiple ADCs, BUSY indicator
  • Single-supply operation 2.3 V to 5.5 V with 1.8 V to 5 V logic interface
  • Serial interface SPI®-/QSPI-/MICROWIRE-/DSP-compatible
  • Power dissipation:
    1.4 μW @ 2.5 V/100 SPS
    1.35 mW @ 2.5 V/100 kSPS, 4 mW @ 5 V/100 kSPS
  • Standby current: 1 nA

Part details & applications

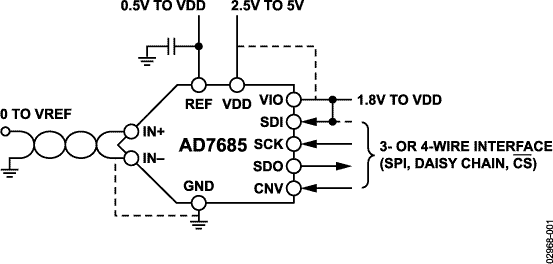
The AD7685 is a 16-bit, charge redistribution successive approximation, analog-to-digital converter (ADC) that operates from a single power supply, VDD, between 2.3 V to 5.5 V. It contains a low power, high speed, 16-bit sampling ADC with no missing codes, an internal conversion clock, and a versatile serial interface port. The part also contains a low noise, wide bandwidth, short aperture delay, track-and-hold circuit. On the CNV rising edge, it samples an analog input IN+ between 0 V to REF with respect to a ground sense IN−. The reference voltage, REF, is applied externally and can be set up to the supply voltage.

Power dissipation scales linearly with throughput.

The SPI-compatible serial interface also features the ability, using the SDI input, to daisy chain several ADCs on a single 3-wire bus or provides an optional BUSY indicator. It is compatible with 1.8 V, 2.5 V, 3 V, or 5 V logic using the separate supply VIO.

The AD7685 is housed in a 10-lead MSOP or a 10-lead QFN (LFCSP) with operation specified from −40°C to +85°C.

APPLICATIONS

  • Battery-powered equipment
  • Medical instruments
  • Mobile communications
  • Personal digital assistants (PDAs)
  • Data acquisition
  • Instrumentation
  • Process controls

Subscribe to Welllinkchips !
Your Name
* Email
Submit a request