0
LT8647
  • LT8647
  • LT8647
  • LT8647
  • LT8647
  • LT8647

LT8647

RECOMMENDED FOR NEW DESIGNS

65V, 7A/8A Peak Synchronous Step-Down Silent Switcher with 2.5μA Quiescent Current

Analog Devices LT8647 Product Info

10 February 2026 9

Features

  • Silent Switcher® Architecture
    • Ultralow EMI Emissions
    • Optional Spread Spectrum Modulation/
  • High Efficiency at High Frequency 
    • Up to 95% Efficiency at 1MHz, 12VIN to 5VOUT
    • Up to 94% Efficiency at 2MHz, 12VIN to 5VOUT
  • Wide Input Voltage Range: 3.4V to 65V
  • 7A Maximum Continuous Output, 8A Peak Transient Output
  • Ultralow Quiescent Current Burst Mode® Operation
    • 2.5μA IQ Regulating 12VIN to 3.3VOUT
    • Output Ripple < 10mVP-P
  • Fast Minimum Switch On-Time: 40ns
  • Low Dropout Under All Conditions: 60mV at 1A
  • Adjustable and Synchronizable: 200kHz to 2.2MHz
  • Peak Current Mode Operation
  • Output Soft-Start and Tracking
  • Small 27-Lead 6mm × 3mm Flip chip 2 quad flat no-lead (FC2QFN) Package

Part details & applications

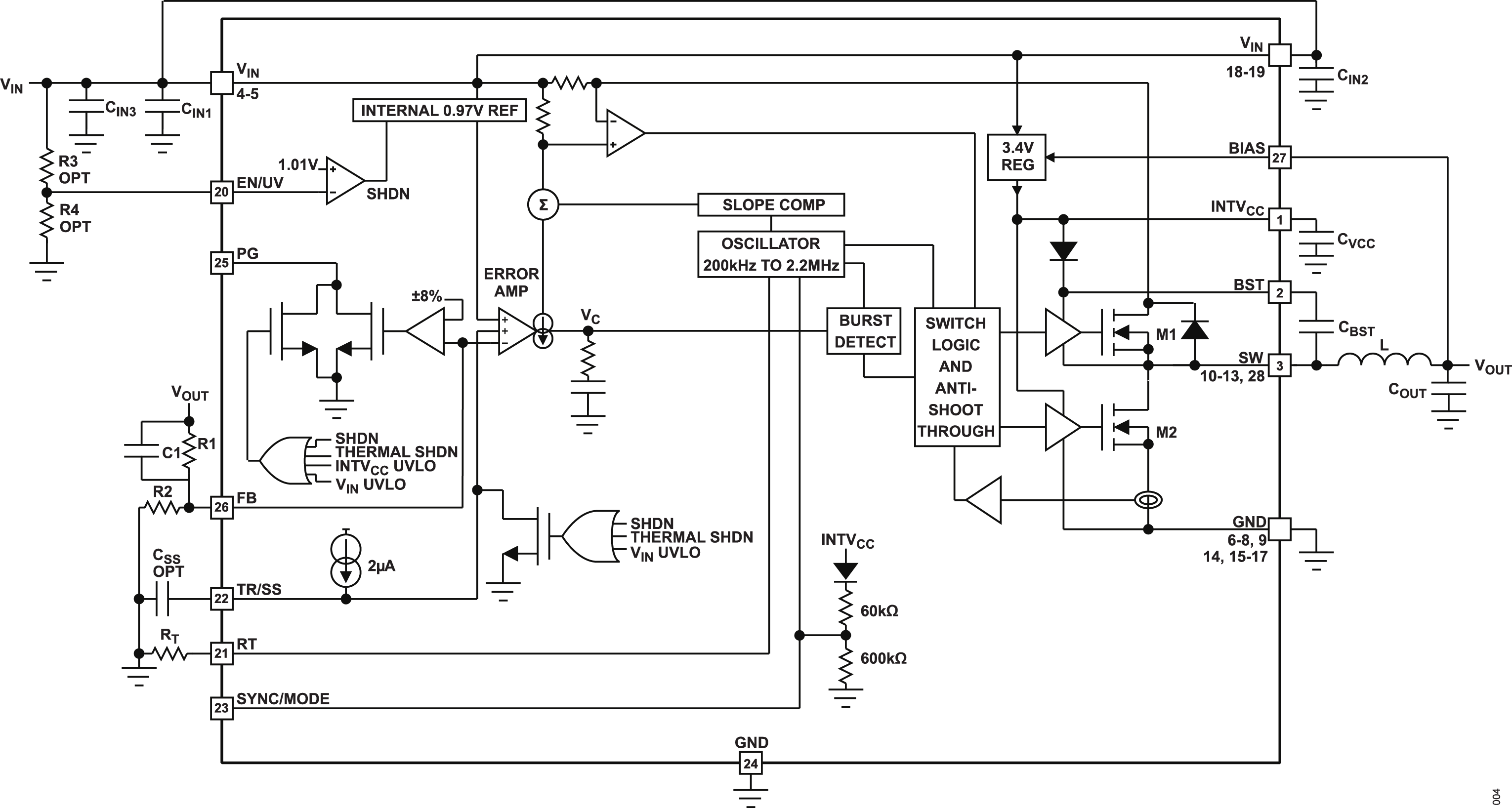
The LT8647 synchronous step-down regulator features Silent Switcher architecture designed to minimize Electromagnetic interference (EMI) emissions while delivering high efficiency at high switching frequencies. This performance makes the LT8647 ideal for noise-sensitive applications and environments.

The fast, clean, low-overshoot switching edges enable high-efficiency operation even at high-switching frequencies, leading to a small overall solution size. Peak current mode control with a 40ns minimum on-time allows high step-down ratios even at high switching frequencies.

Burst Mode operation enables ultralow standby current consumption, pulse-skipping mode allows full switching frequency at lower output loads, and spread spectrum operation can further reduce EMI emissions.

Applications

  • Industrial Supplies
  • General Purpose Step-Down

Subscribe to Welllinkchips !
Your Name
* Email
Submit a request