0
AD7244
  • AD7244
  • AD7244

AD7244

PRODUCTION

12-/14-Bit DAC, 3 V Buried Zener Reference, DAC

Analog Devices AD7244 Product Info

10 February 2026 6

Features

  • Two 12-Bit/14-Bit DACs with Output Amplifiers
    AD7242: 12-Bit Resolution
    AD7244: 14-Bit Resolution
  • Fast Settling Time
    AD7242: 3 µs to ±1/2 LSB
    AD7244: 4 µs to ±1/2 LSB
  • On-Chip Voltage Reference
  • High Speed Serial Interface
  • Operates from ±5 V Supplies
  • Specified Over-40°C to +85°C 
  • in Plastic Packages
  • Low Power - 130 mW typ

Part details & applications

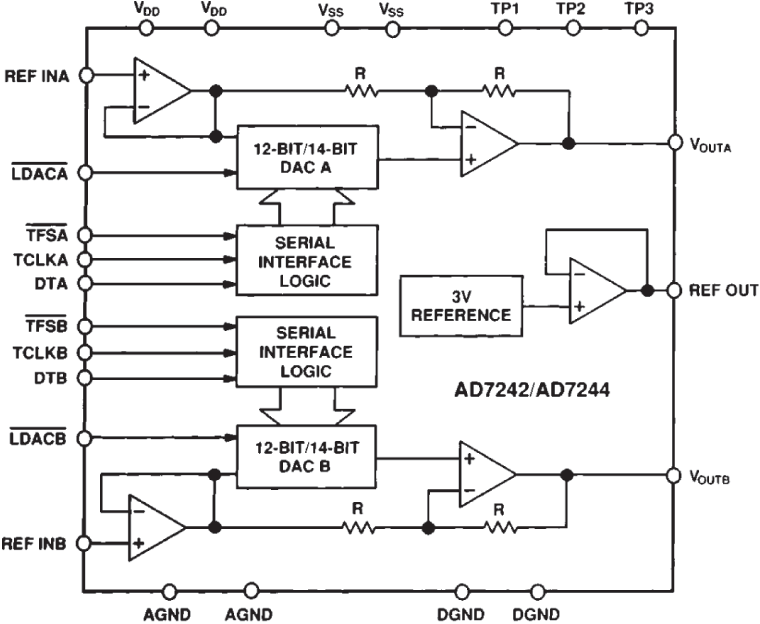
The AD7242 / AD7244 is a fast, complete, dual 12-bit/14-bit voltage output D/A converter. It consists of a 12-bit/14-bit DAC, 3 V buried Zener reference, DAC output amplifiers and high speed serial interface logic.

Interfacing to both DACs is serial, minimizing pin count and allowing a small package size. Standard control signals allow interfacing to most DSP processors and microcontrollers. Asynchronous control of DAC updating for both DACs is made possible with a separate LDAC input for each DAC.

The AD7242 / AD7244 operates from ±5 V power supplies, providing an analog output range of ±3 V. A REF OUT/REF IN function allows the DACs to be driven from the on-chip 3 V reference or from an external reference source.

The AD7242 / AD7244 is fabricated in Linear Compatible CMOS (LC2MOS), an advanced mixed technology process that combines precision bipolar circuits with low power CMOS logic. Both parts are available in a 24-pin, 0.3-inch wide, plastic or hermetic dual-in-line package (DIP) and in a 28-pin, plastic small outline (SOIC) package. The AD7242 and AD7244 are available in the same pinout to allow easy upgrade from 12-bit to 14-bit performance.

PRODUCT HIGHLIGHTS

  1. Complete, Dual 12-Bit/14-Bit DACs The AD7242 / AD7244 provides the complete function for generating voltages to 12-bit/14-bit resolution. The part features an on-chip reference, output buffer amplifiers and two 12-bit/14-bit D/A converters.
  2. High Speed Serial Interface The AD7242 / AD7244 provides a high speed, easy-to-use, serial interface allowing direct interfacing to DSP processors and microcontrollers. A separate serial port is provided for each DAC.
  3. Small Package Size The AD7242 / AD7244 is available in a 24-pin DIP and a 28- pin SOIC package offering considerable space saving over comparable solutions.
&

Subscribe to Welllinkchips !
Your Name
* Email
Submit a request