0
AD5535
  • AD5535
  • AD5535

AD5535

LAST TIME BUY

32-Channel, 14-Bit DAC with Fullscale Output Voltage Programmable from 50 V to 200 V

Analog Devices AD5535 Product Info

10 February 2026 6

Features

  • High Integration: 32-Channel, 14-Bit DAC with Integrated
  • High Voltage Output Amplifier
  • Guaranteed Monotonic
  • Housed in 15 x 15 mm CSPBGA Package Output
  • Fullscale Output Voltage: Programmable from 50V to 200V via Reference Input
  • 700μA Drive Capability
  • Integrated Silicon Diode for Temperature Monitoring
  • DSP-/Microcontroller-Compatible Serial Interface
  • Channel Update Rate 1.2 MHz
  • Asynchronous RESET facility
  • Temperature Range: -10ºC to +85ºC

Part details & applications

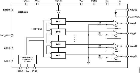
The AD5535 is a 32-channel 14-bit DAC with an on-chip high voltage output amplifier. This device is targeted for optical microelectromechanical systems. The output voltage range is programmable via the REF_IN pin. Output range is 0 to 50 V with REF_IN=1 V and is 0 V to +200 V with REF_IN=4 V. Each amplifier can source 700 µA, ideal for the deflection and control of optical MEMS mirrors. The output amplifier with a gain of 50 is driven from a 14-bit DAC whose output range varies from 0 to VREF depending on the code loaded the the relevant DAC register. The selected DAC register is written to via the 3-wire interface. The serial interface operates at clock rates up to 30 MHz and is compatible with DSP and microcontroller interface standards.

The device is operated with AVCC = 4.75 to 5.25V, DVCC = 2.7 V to 5.25 V, V- = -4.75 to -5.25 V, V+ = +4.75V to +5.25 V, VPP = 210 V. A stable reference is required on REF_IN. REF_IN is buffered internally on the AD5535.

PRODUCT HIGHLIGHTS

  1. 32, 14-bit DACs in one package, guaranteed monotonic with integrated high voltage amplifier.
  2. Available in a CSPBGA package with a body size of 15mm by 15mm.

APPLICATIONS

  • Optical Microelectromechanical Systems (MEMS)
  • Optical Crosspoint Switches
  • Micropositioning applications using piezoelectric actuators
  • Level setting in automotive test and measurement

Subscribe to Welllinkchips !
Your Name
* Email
Submit a request