0
AD5123
  • AD5123
  • AD5123

AD5123

PRODUCTION

Quad Channel, 128-/256-Position, I2C, Nonvolatile Digital Potentiometer

Analog Devices AD5123 Product Info

10 February 2026 7

Features

  • 10 kΩ and 100 kΩ resistance options
  • Resistor tolerance: 8% maximum
  • Wiper current: ±6 mA
  • Low temperature coefficient: 35 ppm/°C
  • Wide bandwidth: 3 MHz
  • Fast start-up time < 75 μs
  • Linear gain setting mode
  • Single- and dual-supply operation
  • Wide operating temperature: −40°C to +125°C
  • 3 mm × 3 mm package

Part details & applications

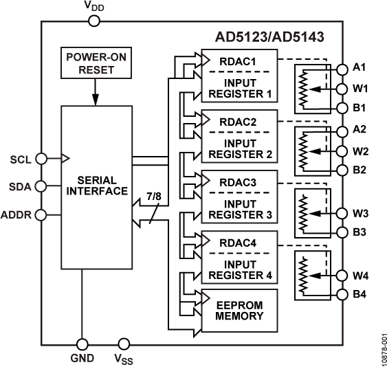
The AD5123/AD5143 potentiometers provide a nonvolatile solution for 128-/256-position adjustment applications, offering guaranteed low resistor tolerance errors of ±8% and up to ±6 mA current density in the Ax, Bx, and Wx pins.

The low resistor tolerance and low nominal temperature coefficient simplify open-loop applications as well as applications requiring tolerance matching.

The linear gain setting mode allows independent programming of the resistance between the digital potentiometer terminals, through the RAW and RWB string resistors, allowing very accurate resistor matching.

The high bandwidth and low total harmonic distortion (THD) ensure optimal performance for ac signals, making the devices suitable for filter design.

The low wiper resistance of only 40 Ω at the ends of the resistor array allows for pin to pin connection.

The wiper values can be set through an I2C-compatible digital interface that also reads back the wiper register and EEPROM contents.

The AD5123/AD5143 are available in a compact, 16-lead, 3 mm × 3 mm LFCSP. The devices are guaranteed to operate over the extended industrial temperature range of −40°C to +125°C.

Applications

  • Portable electronics level adjustment
  • LCD panel brightness and contrast controls
  • Programmable filters, delays, time constants
  • Programmable power supplies

Subscribe to Welllinkchips !
Your Name
* Email
Submit a request