0
VCA8617
  • VCA8617
  • VCA8617

VCA8617

ACTIVE

8-Channel Variable Gain Amplifier

Texas Instruments VCA8617 Product Info

1 April 2026 0

Parameters

PGA/VGA

VGA

Number of channels

8

Vs (min) (V)

2.85

Vs (max) (V)

3.15

BW at Acl (MHz)

100

Acl, min spec gain (V/V)

1.8

Gain (max) (dB)

58

Slew rate (typ) (V/µs)

300

Rating

Catalog

Operating temperature range (°C)

-40 to 85

Package

TQFP (PAG)-64-144 mm² 12 x 12

Features

  • 3V OPERATION
  • LOW INPUT NOISE:
    • 1.05nV/√Hz at fIN = 5MHz
  • EXTREMELY LOW POWER OPERATION:
    • 103mW/CHANNEL
  • INTEGRATED LOW-PASS, ANTI-ALIASING BUTTERWORTH FILTER
    • 14.5MHz BANDWIDTH
  • INTEGRATED INPUT CLAMP DIODES
  • DIFFERENTIAL OUTPUT
  • INTEGRATED INPUT LNA
  • READABLE CONTROL REGISTERS
  • INTEGRATED CONTINUOUS WAVE (CW) PROCESSOR
  • 3V OPERATION
  • LOW INPUT NOISE:
    • 1.05nV/√Hz at fIN = 5MHz
  • EXTREMELY LOW POWER OPERATION:
    • 103mW/CHANNEL
  • INTEGRATED LOW-PASS, ANTI-ALIASING BUTTERWORTH FILTER
    • 14.5MHz BANDWIDTH
  • INTEGRATED INPUT CLAMP DIODES
  • DIFFERENTIAL OUTPUT
  • INTEGRATED INPUT LNA
  • READABLE CONTROL REGISTERS
  • INTEGRATED CONTINUOUS WAVE (CW) PROCESSOR

Description

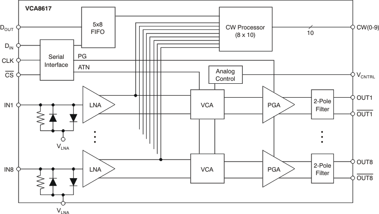
The VCA8617 is an 8-channel variable gain amplifier ideally suited to portable ultrasound applications. Excellent dynamic performance enables use in low-power, high-performance portable applications. Each channel consists of a 20dB gain Low-Noise pre-Amplifier (LNA) and a Variable Gain Amplifier (VGA). The differential outputs of the LNA can be switched through the 8x10 cross-point switch, which is programmable through the serial interface input port.

The output of the LNA is fed directly into the VGA stage. The VGA consists of two parts, a Voltage-Controlled Attenuator (VCA) and a Programmable Gain Amplifier (PGA). The gain and gain range of the PGA can be digitally configured separately. The gain of the PGA can vary between four discrete settings of 25dB, 30dB, 35dB, and 40dB. The VCA has four programmable maximum attenuation settings: 29dB, 33dB, 36.5dB, and 40dB. Also, the VCA can be continuously varied by a control voltage from 0dB to a maximum of 29dB, 33dB, 36.5dB, and 40dB.

The output of the PGA feeds directly into an integrated low-pass filter.

The VCA8617 is an 8-channel variable gain amplifier ideally suited to portable ultrasound applications. Excellent dynamic performance enables use in low-power, high-performance portable applications. Each channel consists of a 20dB gain Low-Noise pre-Amplifier (LNA) and a Variable Gain Amplifier (VGA). The differential outputs of the LNA can be switched through the 8x10 cross-point switch, which is programmable through the serial interface input port.

The output of the LNA is fed directly into the VGA stage. The VGA consists of two parts, a Voltage-Controlled Attenuator (VCA) and a Programmable Gain Amplifier (PGA). The gain and gain range of the PGA can be digitally configured separately. The gain of the PGA can vary between four discrete settings of 25dB, 30dB, 35dB, and 40dB. The VCA has four programmable maximum attenuation settings: 29dB, 33dB, 36.5dB, and 40dB. Also, the VCA can be continuously varied by a control voltage from 0dB to a maximum of 29dB, 33dB, 36.5dB, and 40dB.

The output of the PGA feeds directly into an integrated low-pass filter.

Subscribe to Welllinkchips !
Your Name
* Email
Submit a request