0
DRV8876N
  • DRV8876N
  • DRV8876N
  • DRV8876N

DRV8876N

ACTIVE

37-V, 3.5-A brushed DC motor driver

Texas Instruments DRV8876N Product Info

1 April 2026 1

Parameters

Number of full bridges

1

Vs (min) (V)

4.5

Vs ABS (max) (V)

40

RDS(ON) (HS + LS) (mΩ)

700

Sleep current (µA)

0.75

Control mode

Independent 1/2-Bridge, PWM

Control interface

Hardware (GPIO)

Topology

Integrated FET

Rating

Catalog

Operating temperature range (°C)

-40 to 125

Package

HTSSOP (PWP)-16-32 mm² 5 x 6.4

Features

  • N-channel H-bridge motor driver
    • Drives one bidirectional brushed DC motor
    • Two unidirectional brushed DC motors
    • Other resistive and inductive loads
  • 4.5-V to 37-V operating supply voltage range
  • High output current capability: 3.5-A Peak
  • Selectable input control modes (PMODE)
    • PH/EN and PWM H-bridge control modes
    • Independent half-bridge control mode
  • Supports 1.8-V, 3.3-V, and 5-V logic inputs
  • Ultra low-power sleep mode
    • <1-µA @ VVM = 24-V, TJ = 25°C
  • Spread spectrum clocking for low electromagnetic interference (EMI)
  • Integrated protection features
    • Undervoltage lockout (UVLO)
    • Charge pump undervoltage (CPUV)
    • Overcurrent protection (OCP)
      • Automatic retry or outputs latched off (IMODE)
    • Thermal shutdown (TSD)
    • Automatic fault recovery
    • Fault indicator pin (nFAULT)
  • N-channel H-bridge motor driver
    • Drives one bidirectional brushed DC motor
    • Two unidirectional brushed DC motors
    • Other resistive and inductive loads
  • 4.5-V to 37-V operating supply voltage range
  • High output current capability: 3.5-A Peak
  • Selectable input control modes (PMODE)
    • PH/EN and PWM H-bridge control modes
    • Independent half-bridge control mode
  • Supports 1.8-V, 3.3-V, and 5-V logic inputs
  • Ultra low-power sleep mode
    • <1-µA @ VVM = 24-V, TJ = 25°C
  • Spread spectrum clocking for low electromagnetic interference (EMI)
  • Integrated protection features
    • Undervoltage lockout (UVLO)
    • Charge pump undervoltage (CPUV)
    • Overcurrent protection (OCP)
      • Automatic retry or outputs latched off (IMODE)
    • Thermal shutdown (TSD)
    • Automatic fault recovery
    • Fault indicator pin (nFAULT)

Description

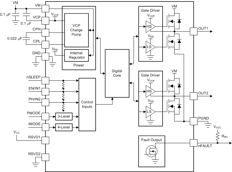
The DRV8876N is an integrated motor driver with N-channel H-bridge, charge pump, and protection circuitry. The charge pump improves efficiency by supporting N-channel MOSFET half bridges and 100% duty cycle driving. The family of devices come in pin-to-pin RDS(on) variants to support different loads with minimal design changes.

A low-power sleep mode achieves ultra-low quiescent current draw by shutting down most of the internal circuitry. Internal protection features include supply undervoltage lockout, charge pump undervoltage, output overcurrent, and device overtemperature. Fault conditions are indicated on nFAULT.

View our full portfolio of brushed motor drivers on ti.com.

The DRV8876N is an integrated motor driver with N-channel H-bridge, charge pump, and protection circuitry. The charge pump improves efficiency by supporting N-channel MOSFET half bridges and 100% duty cycle driving. The family of devices come in pin-to-pin RDS(on) variants to support different loads with minimal design changes.

A low-power sleep mode achieves ultra-low quiescent current draw by shutting down most of the internal circuitry. Internal protection features include supply undervoltage lockout, charge pump undervoltage, output overcurrent, and device overtemperature. Fault conditions are indicated on nFAULT.

View our full portfolio of brushed motor drivers on ti.com.

Subscribe to Welllinkchips !
Your Name
* Email
Submit a request