0
ADC0820-N
  • ADC0820-N
  • ADC0820-N
  • ADC0820-N
  • ADC0820-N
  • ADC0820-N

ADC0820-N

ACTIVE

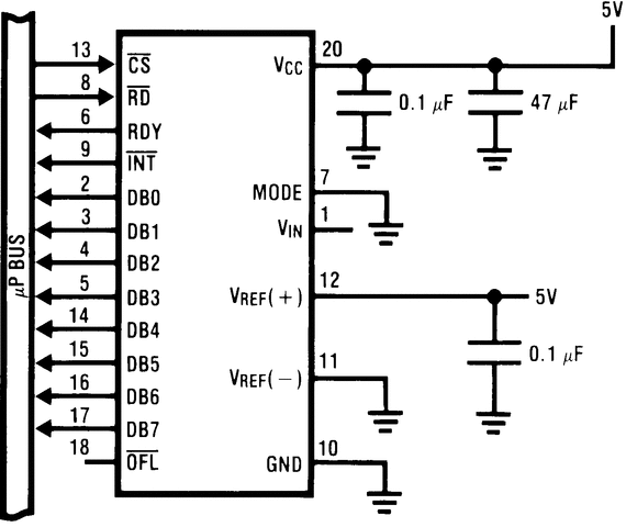
8-Bit High Speed µP Compatible A/D Converter with Track/Hold Function Key Specifications Key Specifications

Texas Instruments ADC0820-N Product Info

1 April 2026 1

Parameters

Resolution (Bits)

8

Sample rate (max) (ksps)

658

Number of input channels

1

Interface type

Parallel

Architecture

SAR

Input type

Single-ended

Rating

Catalog

Reference mode

External

Input voltage range (max) (V)

8

Input voltage range (min) (V)

0

Operating temperature range (°C)

-40 to 85

Power consumption (typ) (mW)

65

Analog supply voltage (min) (V)

4.5

Analog supply voltage (max) (V)

8

Digital supply (min) (V)

4.5

Digital supply (max) (V)

8

Package

SOIC (DW)-20-131.84 mm² 12.8 x 10.3

Features

  • Built-In Track-and-Hold Function
  • No Missing Codes
  • No External Clocking
  • Single Supply—5 VDC
  • Easy Interface to All Microprocessors, or Operates Stand-Alone
  • Latched TRI-STATE Output
  • Logic Inputs and Outputs Meet Both MOS and T2L Voltage Level Specifications
  • Operates Ratiometrically or with any Reference Value Equal to or Less than VCC
  • 0V to 5V Analog Input Voltage Range with Single 5V Supply
  • No Zero or Full-Scale Adjust Required
  • Overflow Output Available for Cascading
  • 0.3 in. Standard Width 20-Pin PDIP
  • 20-Pin PLCC
  • 20-Pin SOIC

Key Specifications

  • Resolution: 8 Bits
  • Conversion Time
    • 2.5 µs Max (RD Mode)
    • 1.5 µs Max (WR-RD Mode)
  • Low Power: 75 mW Max
  • Total Unadjusted Error: ±½ LSB and ± 1 LSB

All trademarks are the property of their respective owners.

  • Built-In Track-and-Hold Function
  • No Missing Codes
  • No External Clocking
  • Single Supply—5 VDC
  • Easy Interface to All Microprocessors, or Operates Stand-Alone
  • Latched TRI-STATE Output
  • Logic Inputs and Outputs Meet Both MOS and T2L Voltage Level Specifications
  • Operates Ratiometrically or with any Reference Value Equal to or Less than VCC
  • 0V to 5V Analog Input Voltage Range with Single 5V Supply
  • No Zero or Full-Scale Adjust Required
  • Overflow Output Available for Cascading
  • 0.3 in. Standard Width 20-Pin PDIP
  • 20-Pin PLCC
  • 20-Pin SOIC

Key Specifications

  • Resolution: 8 Bits
  • Conversion Time
    • 2.5 µs Max (RD Mode)
    • 1.5 µs Max (WR-RD Mode)
  • Low Power: 75 mW Max
  • Total Unadjusted Error: ±½ LSB and ± 1 LSB

All trademarks are the property of their respective owners.

Description

By using a half-flash conversion technique, the 8-bit ADC0820-N CMOS A/D offers a 1.5 µs conversion time and dissipates only 75 mW of power. The half-flash technique consists of 32 comparators, a most significant 4-bit ADC and a least significant 4-bit ADC.

The input to the ADC0820-N is tracked and held by the input sampling circuitry eliminating the need for an external sample-and-hold for signals moving at less than 100 mV/µs.

For ease of interface to microprocessors, the ADC0820-N has been designed to appear as a memory location or I/O port without the need for external interfacing logic.

By using a half-flash conversion technique, the 8-bit ADC0820-N CMOS A/D offers a 1.5 µs conversion time and dissipates only 75 mW of power. The half-flash technique consists of 32 comparators, a most significant 4-bit ADC and a least significant 4-bit ADC.

The input to the ADC0820-N is tracked and held by the input sampling circuitry eliminating the need for an external sample-and-hold for signals moving at less than 100 mV/µs.

For ease of interface to microprocessors, the ADC0820-N has been designed to appear as a memory location or I/O port without the need for external interfacing logic.

Subscribe to Welllinkchips !
Your Name
* Email
Submit a request