0
TRF3761-G
  • TRF3761-G
  • TRF3761-G

TRF3761-G

ACTIVE

Low Noise Integer N PLL Frequency Synthesizer With Integrated VCO

Texas Instruments TRF3761-G Product Info

1 April 2026 0

Parameters

Frequency (max) (MHz)

2059

Frequency (min) (MHz)

1920

Normalized PLL phase noise (dBc/Hz)

-137

Features

Integer N PLL, Integrated VCO

Current consumption (mA)

130

Integrated VCO

Yes

Operating temperature range (°C)

-40 to 85

Rating

Catalog

Lock time (µs) (typ) (s)

>350

Package

VQFN (RHA)-40-36 mm² 6 x 6

Features

  • Fully Integrated VCO
  • Low Phase Noise: –137dBc/Hz (at 600kHz, fVCO
    of 1.9GHz)
  • Low Noise Floor: –158dBc/Hz at 10MHz Offset
  • Integer-N PLL
  • Input Reference Frequency range: 10MHz to
    104MHz
  • VCO Frequency Divided by 2-4 Output
  • Output Buffer Enable Pin
  • Programmable Charge Pump Current
  • Hardware and Software Power Down
  • 3-Wire Serial Interface
  • Single Supply: 4.5V to 5.25V Operation
  • Fully Integrated VCO
  • Low Phase Noise: –137dBc/Hz (at 600kHz, fVCO
    of 1.9GHz)
  • Low Noise Floor: –158dBc/Hz at 10MHz Offset
  • Integer-N PLL
  • Input Reference Frequency range: 10MHz to
    104MHz
  • VCO Frequency Divided by 2-4 Output
  • Output Buffer Enable Pin
  • Programmable Charge Pump Current
  • Hardware and Software Power Down
  • 3-Wire Serial Interface
  • Single Supply: 4.5V to 5.25V Operation

Description

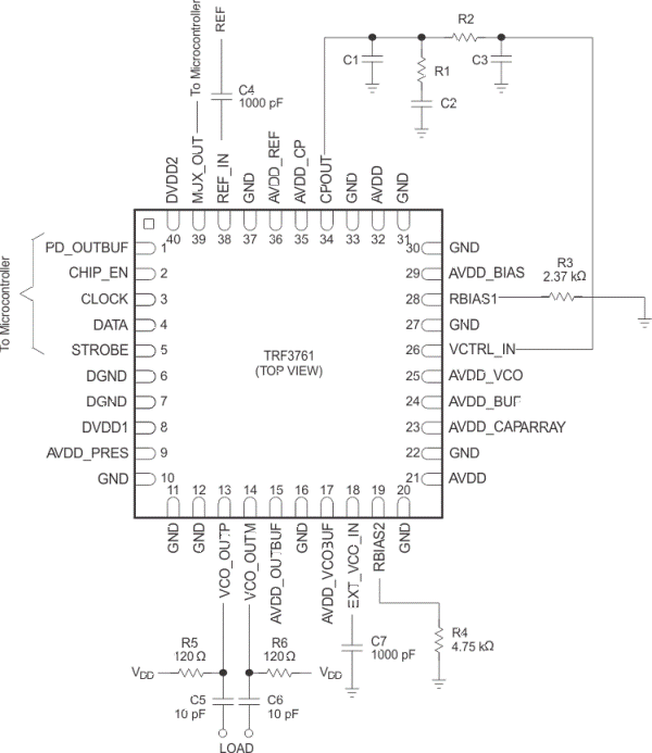
TRF3761 is a family of high performance, highly integrated frequency synthesizers, optimized for high performance applications. The TRF3761 includes a low-noise, voltage-controlled oscillator (VCO) and an integer-N PLL.

TRF3761 integrates divide-by 1, 2, or 4 options for a more flexible output frequency range. It is controlled through a 3-wire serial-programming-interface (SPI) interface. For power sensitive applications the TRF3761 can be powered down by the SPI interface or externally via chip_en pin 2.

TRF3761 is a family of high performance, highly integrated frequency synthesizers, optimized for high performance applications. The TRF3761 includes a low-noise, voltage-controlled oscillator (VCO) and an integer-N PLL.

TRF3761 integrates divide-by 1, 2, or 4 options for a more flexible output frequency range. It is controlled through a 3-wire serial-programming-interface (SPI) interface. For power sensitive applications the TRF3761 can be powered down by the SPI interface or externally via chip_en pin 2.

Subscribe to Welllinkchips !
Your Name
* Email
Submit a request