0
TPS659119-Q1
  • TPS659119-Q1
  • TPS659119-Q1

TPS659119-Q1

ACTIVE

Automotive 1.4V to 5.5V, 3 buck & 8 LDO Power Management IC

Texas Instruments TPS659119-Q1 Product Info

1 April 2026 0

Parameters

Processor supplier

NVIDIA, Texas Instruments

Processor name

DM81x, Jacinto DRA6x, Sitara AM38x, Tegra

Product type

Processor and FPGA

Regulated outputs (#)

11

Step-down DC/DC converter

3

Step-up DC/DC converter

0

LDO

8

Vin (min) (V)

2.7

Vin (max) (V)

5.5

Vout (min) (V)

0.6

Vout (max) (V)

3.3

Iout (max) (A)

1.5

Configurability

Factory programmable, Software configurable

Features

Comm control, Power sequencing

Rating

Automotive

Operating temperature range (°C)

-40 to 85

Step-down DC/DC controller

0

Step-up DC/DC controller

0

Iq (typ) (mA)

2.8

Switching frequency (max) (kHz)

3000

Shutdown current (ISD) (typ) (µA)

22

Switching frequency (typ) (kHz)

3000

Package

HTQFP (PFP)-80-196 mm² 14 x 14

Features

  • Qualified for Automotive Applications
  • AEC-Q100 Qualified with the Following Results:
    • Device Temperature Grade 3: –40°C to 85°C Ambient Operating Temperature Range
    • Device HBM ESD Classification Level 2
    • Device CDM ESD Classification Level C4B
  • Embedded Power Controller (EPC) With EEPROM Programmability
  • Two Efficient Step-Down DC-DC Converters With Dynamic Voltage Scaling for Processor Cores (VDD1, VDD2)
  • One Efficient Step-Down DC-DC Converter for I/O Power (VIO)
  • An Interface to Control an External DCDC Converter (EXTCTRL)
  • Eight LDO Voltage Regulators and One RTC LDO (Supply for Internal RTC)
  • One High-Speed I2C Interface for General-Purpose Control Commands (CTL-I2C)
  • Two Independent Enable Signals for Controlling Power Resources (EN1, EN2) Which can be Used as a High-Speed I2C Interface Dedicated for VDD1 and VDD2 Voltage Scaling.
  • Thermal Shutdown Protection and Hot-Die Detection
  • A Real-Time Clock (RTC) Resource with:
    • Fast Start-Up 16.384-MHz Crystal Oscillator
    • Configurable Clock Source from Crystal Oscillator, External 32-kHz Clock or Internal 32-kHz RC Oscillator
    • Date, Time, and Calendar
    • Alarm Capability
  • Nine Configurable GPIOs with Multiplexed Feature Support:
    • Four can be Used as Enable for External Resources, Included into Power-Up Sequence and Controlled by State-Machine
    • As GPI, GPIOs Support Logic-level Detection and Can Generate Maskable Interrupt for Wake-Up
    • Two of the GPIOs Have 10-mA Current Sink Capability for Driving LEDs
    • DCDCs Switching Synchronization Through an External 3-MHz Clock
  • Two Reset Inputs for Cold Reset (HDRST) and a Power-Initialization Reset (PWRDN) for Thermal Reset Input
  • 32-kHz Clock Output (CLK32KOUT) and System Reset (NRESPWRON) Included in Power Sequence
  • Watchdog
  • Two ON and OFF LED-Pulse Generators and One PWM Generator

All trademarks are the property of their respective owners.

  • Qualified for Automotive Applications
  • AEC-Q100 Qualified with the Following Results:
    • Device Temperature Grade 3: –40°C to 85°C Ambient Operating Temperature Range
    • Device HBM ESD Classification Level 2
    • Device CDM ESD Classification Level C4B
  • Embedded Power Controller (EPC) With EEPROM Programmability
  • Two Efficient Step-Down DC-DC Converters With Dynamic Voltage Scaling for Processor Cores (VDD1, VDD2)
  • One Efficient Step-Down DC-DC Converter for I/O Power (VIO)
  • An Interface to Control an External DCDC Converter (EXTCTRL)
  • Eight LDO Voltage Regulators and One RTC LDO (Supply for Internal RTC)
  • One High-Speed I2C Interface for General-Purpose Control Commands (CTL-I2C)
  • Two Independent Enable Signals for Controlling Power Resources (EN1, EN2) Which can be Used as a High-Speed I2C Interface Dedicated for VDD1 and VDD2 Voltage Scaling.
  • Thermal Shutdown Protection and Hot-Die Detection
  • A Real-Time Clock (RTC) Resource with:
    • Fast Start-Up 16.384-MHz Crystal Oscillator
    • Configurable Clock Source from Crystal Oscillator, External 32-kHz Clock or Internal 32-kHz RC Oscillator
    • Date, Time, and Calendar
    • Alarm Capability
  • Nine Configurable GPIOs with Multiplexed Feature Support:
    • Four can be Used as Enable for External Resources, Included into Power-Up Sequence and Controlled by State-Machine
    • As GPI, GPIOs Support Logic-level Detection and Can Generate Maskable Interrupt for Wake-Up
    • Two of the GPIOs Have 10-mA Current Sink Capability for Driving LEDs
    • DCDCs Switching Synchronization Through an External 3-MHz Clock
  • Two Reset Inputs for Cold Reset (HDRST) and a Power-Initialization Reset (PWRDN) for Thermal Reset Input
  • 32-kHz Clock Output (CLK32KOUT) and System Reset (NRESPWRON) Included in Power Sequence
  • Watchdog
  • Two ON and OFF LED-Pulse Generators and One PWM Generator

All trademarks are the property of their respective owners.

Description

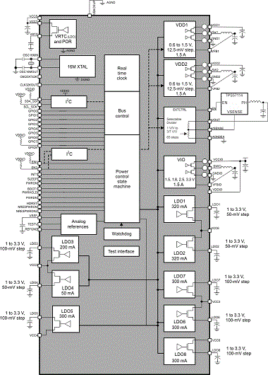
The TPS659119-Q1 device is an integrated power-management IC dedicated to systems using an applications processor requiring multiple power rails. The device provides three step-down converters, one control for an external converter, eight LDOs, and is designed to be flexible for supporting different processors and applications.

Two of the step-down converters provide power for dual-processor cores and support for dynamic voltage scaling by a dedicated I2C interface for optimum power savings. The third converter provides power for inputs and outputs (I/Os) and memory in the system. The control for an external converter can sequence and scale the voltage of an external converter for a high-current rail in the system.

For all available packages, see the orderable addendum at the end of the data sheet.

All trademarks are the property of their respective owners.

The device also includes eight general-purpose LDOs providing a wide range of voltage and current capabilities. Five of the LDOs support 1 to 3.3 V with 100-mV steps, and three LDOs support 1 to 3.3 V with 50-mV steps. All LDOs are fully controllable by the I2C interface.

In addition to the power regulators, the device contains nine configurable GPIOs with multiplexing features to support a wide variety of functions. The device also includes an embedded power controller to manage the power sequencing requirements of the system. The power sequencing is programmable by EEPROM.

The TPS659119-Q1 device is an integrated power-management IC dedicated to systems using an applications processor requiring multiple power rails. The device provides three step-down converters, one control for an external converter, eight LDOs, and is designed to be flexible for supporting different processors and applications.

Two of the step-down converters provide power for dual-processor cores and support for dynamic voltage scaling by a dedicated I2C interface for optimum power savings. The third converter provides power for inputs and outputs (I/Os) and memory in the system. The control for an external converter can sequence and scale the voltage of an external converter for a high-current rail in the system.

For all available packages, see the orderable addendum at the end of the data sheet.

All trademarks are the property of their respective owners.

The device also includes eight general-purpose LDOs providing a wide range of voltage and current capabilities. Five of the LDOs support 1 to 3.3 V with 100-mV steps, and three LDOs support 1 to 3.3 V with 50-mV steps. All LDOs are fully controllable by the I2C interface.

In addition to the power regulators, the device contains nine configurable GPIOs with multiplexing features to support a wide variety of functions. The device also includes an embedded power controller to manage the power sequencing requirements of the system. The power sequencing is programmable by EEPROM.

Subscribe to Welllinkchips !
Your Name
* Email
Submit a request