0
TPA3112D1-Q1
  • TPA3112D1-Q1
  • TPA3112D1-Q1

TPA3112D1-Q1

ACTIVE

Automotive, 25-W, 1-ch, 8- to 26-V analog in Class-D audio amplifier w/ SpeakerGuard™

Texas Instruments TPA3112D1-Q1 Product Info

1 April 2026 1

Parameters

Output power (W)

25

Power stage supply (max) (V)

26

Power stage supply (min) (V)

8

Speaker channels (max)

Mono

Audio input type

Analog Input

Control interface

Hardware

THD + N at 1 kHz (%)

0.05

Output noise voltage (µV)

65

Rating

Automotive

Operating temperature range (°C)

-40 to 125

Package

HTSSOP (PWP)-28-62.08 mm² 9.7 x 6.4

Features

  • Qualified for Automotive Applications
  • AEC-Q100 Qualified With the Following Results:
    • Device Temperature Grade 1: –40°C to 125°C Ambient Operating Temperature Range
    • Device HBM ESD Classification Level H2
    • Device CDM ESD Classification Level C2
  • 25-W into an 8-Ω Load at < 0.1% THD+N From a 24-V Supply
  • 20-W into an 4-Ω Load at 10% THD+N From a 12-V Supply
  • 94% Efficient Class-D Operation into 8-Ω Load Eliminates Need for Heat Sinks
  • Wide Supply Voltage Range Allows Operation from 8 to 26 V
  • Filter-Free Operation
  • SpeakerGuard Protection Circuitry Includes Adjustable Power Limiter Plus DC Protection
  • Flow Through Pin Out Facilitates Easy Board Layout
  • Robust Pin-to-Pin Short Circuit Protection and Thermal Protection with Auto-Recovery Option
  • Excellent THD+N and Pop Free Performance
  • Four Selectable, Fixed Gain Settings
  • Differential Inputs
  • Qualified for Automotive Applications
  • AEC-Q100 Qualified With the Following Results:
    • Device Temperature Grade 1: –40°C to 125°C Ambient Operating Temperature Range
    • Device HBM ESD Classification Level H2
    • Device CDM ESD Classification Level C2
  • 25-W into an 8-Ω Load at < 0.1% THD+N From a 24-V Supply
  • 20-W into an 4-Ω Load at 10% THD+N From a 12-V Supply
  • 94% Efficient Class-D Operation into 8-Ω Load Eliminates Need for Heat Sinks
  • Wide Supply Voltage Range Allows Operation from 8 to 26 V
  • Filter-Free Operation
  • SpeakerGuard Protection Circuitry Includes Adjustable Power Limiter Plus DC Protection
  • Flow Through Pin Out Facilitates Easy Board Layout
  • Robust Pin-to-Pin Short Circuit Protection and Thermal Protection with Auto-Recovery Option
  • Excellent THD+N and Pop Free Performance
  • Four Selectable, Fixed Gain Settings
  • Differential Inputs

Description

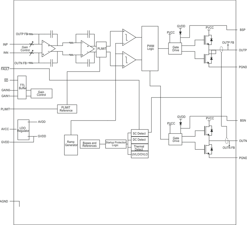
The TPA3112D1-Q1 is a 25-W efficient, Class-D audio power amplifier for driving a bridge tied speaker. Advanced EMI Suppression Technology enables the use of inexpensive ferrite bead filters at the outputs while meeting EMC requirements. SpeakerGuard™ protection circuitry system includes an adjustable power limiter and a DC detection circuit. The adjustable power limiter allows the user to set a virtual voltage rail lower than the chip supply to limit the amount of current through the speaker. The DC detect circuit measures the frequency and amplitude of the PWM signal and shuts off the output stage if the input capacitors are damaged or shorts exist on the inputs.

The TPA3112D1-Q1 can drive a mono speaker as low as 4 Ω. The high efficiency of the device, > 90%, eliminates the need for an external heat sink when playing music.

The outputs are fully protected against shorts to GND, VCC, and output-to-output. The short-circuit protection and thermal protection includes an auto-recovery feature.

The TPA3112D1-Q1 is a 25-W efficient, Class-D audio power amplifier for driving a bridge tied speaker. Advanced EMI Suppression Technology enables the use of inexpensive ferrite bead filters at the outputs while meeting EMC requirements. SpeakerGuard™ protection circuitry system includes an adjustable power limiter and a DC detection circuit. The adjustable power limiter allows the user to set a virtual voltage rail lower than the chip supply to limit the amount of current through the speaker. The DC detect circuit measures the frequency and amplitude of the PWM signal and shuts off the output stage if the input capacitors are damaged or shorts exist on the inputs.

The TPA3112D1-Q1 can drive a mono speaker as low as 4 Ω. The high efficiency of the device, > 90%, eliminates the need for an external heat sink when playing music.

The outputs are fully protected against shorts to GND, VCC, and output-to-output. The short-circuit protection and thermal protection includes an auto-recovery feature.

Subscribe to Welllinkchips !
Your Name
* Email
Submit a request