0
TLC6C5816-Q1
  • TLC6C5816-Q1
  • TLC6C5816-Q1

TLC6C5816-Q1

ACTIVE

Automotive power logic 16-bit Shift Register LED driver with diagnostics

Texas Instruments TLC6C5816-Q1 Product Info

1 April 2026 2

Parameters

Number of channels

16

Topology

Open drain

Rating

Automotive

TI functional safety category

Functional Safety-Capable

Operating temperature range (°C)

-40 to 125

Vin (min) (V)

3

Vin (max) (V)

5.5

Vout (min) (V)

0

Vout (max) (V)

40

Iout (max) (A)

0.8

Features

Fault Detection, LED Open Detection, LED Short to Ground Detection, Thermal Error Flag, Thermal shutdown

Package

HTSSOP (PWP)-28-62.08 mm² 9.7 x 6.4

Features

  • Qualified for Automotive Applications
  • AEC-Q100 Qualified With the Following Results:
    • Device Temperature Grade 1: –40°C to 125ºC Ambient Operating Temperature Range
    • Device HBM ESD Classification Level H3A
    • Device CDM ESD Classification Level C6
    • Functional safety capable
      • Documentation available to aid functional safety system design
  • 16 Channels With Power DMOS Transistor Outputs
    • Open-Drain Outputs up to 50 mA per Channel
    • Output Voltage Maximum Rating: 45 V
    • Optimized Slew Rate for Reducing EMI
  • Serial Interface and PWM Inputs
    • Shift Register Compatible With TPIC6C596, TLC6C598-Q1, TLC6C5912-Q1
    • LED Status Read-back
    • 2 PWM Inputs for Group Dimming
  • Diagnostics and Protection
    • Configurable LED Open and Short Diagnostics
    • Overtemperature Protection
    • Serial-Interface Communication-Error Detection
    • Open-Drain Error Feedback
  • Qualified for Automotive Applications
  • AEC-Q100 Qualified With the Following Results:
    • Device Temperature Grade 1: –40°C to 125ºC Ambient Operating Temperature Range
    • Device HBM ESD Classification Level H3A
    • Device CDM ESD Classification Level C6
    • Functional safety capable
      • Documentation available to aid functional safety system design
  • 16 Channels With Power DMOS Transistor Outputs
    • Open-Drain Outputs up to 50 mA per Channel
    • Output Voltage Maximum Rating: 45 V
    • Optimized Slew Rate for Reducing EMI
  • Serial Interface and PWM Inputs
    • Shift Register Compatible With TPIC6C596, TLC6C598-Q1, TLC6C5912-Q1
    • LED Status Read-back
    • 2 PWM Inputs for Group Dimming
  • Diagnostics and Protection
    • Configurable LED Open and Short Diagnostics
    • Overtemperature Protection
    • Serial-Interface Communication-Error Detection
    • Open-Drain Error Feedback

Description

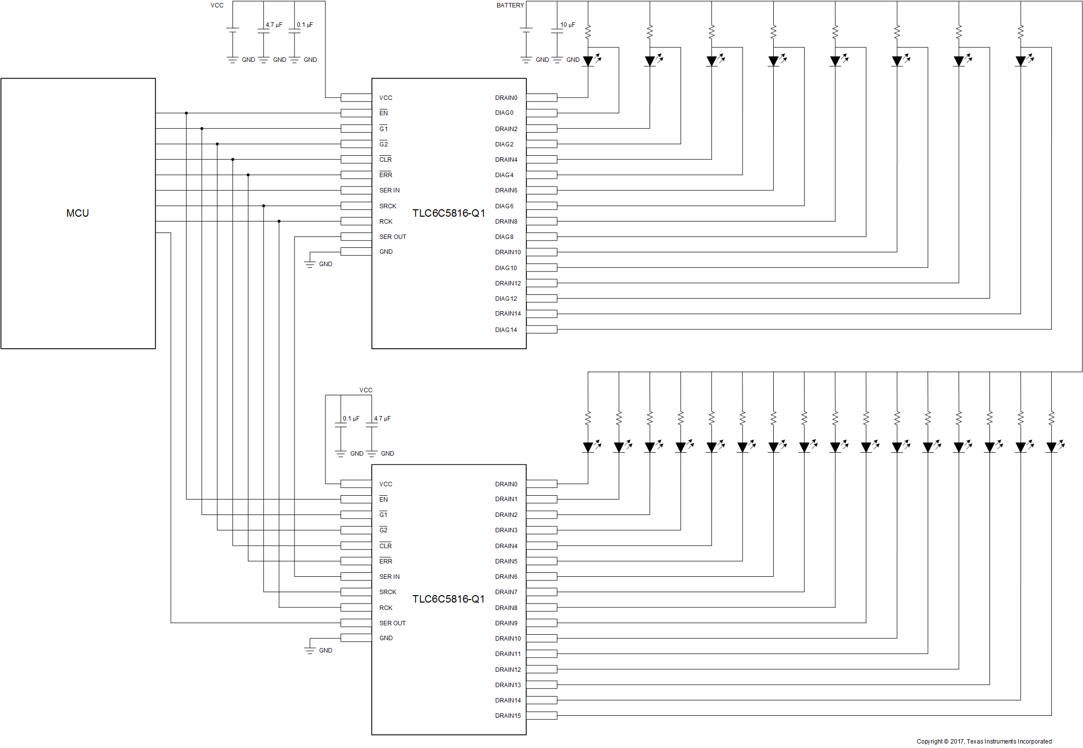
There are various LED indicators in automotive applications. Some applications such as hybrid instrument clusters and E-shifters have safety requirements which must have LED fault diagnostics; other applications such as HVAC panels only have an LED on-off control, which does not require LED diagnostics. To cover both applications, the TLC6C5816-Q1 device implements a flexible LED diagnostics function. By writing to the registers, the output channels can be configured with LED diagnostics features or without LED diagnostics features.

The TLC6C5816-Q1 device is a 16-bit shift register LED driver designed to support automotive LED applications. A built-in LED open and LED short diagnostic mechanism provides enhanced safety protection. The device contains 16 channels with power DMOS transistor outputs. Eight of the channels support LED fault diagnostics by configuring corresponding registers, the device can drive 16 channels without diagnostics or 8 channels with diagnostics. The diagnostics channels DIAGn must connect to DRAINn to realize LED diagnostics. A command error fault implies that a channel is configured for LED diagnostics but a register write command has turned on the channel at the same time. The device provides a cyclic redundancy check to verify register values in the shift registers. In read-back mode, the device provides 6 bits of the CRC remainder. The MCU can read back the CRC remainder and check if the remainder is correct to determine whether the communication loop between MCU and device is good.

There are various LED indicators in automotive applications. Some applications such as hybrid instrument clusters and E-shifters have safety requirements which must have LED fault diagnostics; other applications such as HVAC panels only have an LED on-off control, which does not require LED diagnostics. To cover both applications, the TLC6C5816-Q1 device implements a flexible LED diagnostics function. By writing to the registers, the output channels can be configured with LED diagnostics features or without LED diagnostics features.

The TLC6C5816-Q1 device is a 16-bit shift register LED driver designed to support automotive LED applications. A built-in LED open and LED short diagnostic mechanism provides enhanced safety protection. The device contains 16 channels with power DMOS transistor outputs. Eight of the channels support LED fault diagnostics by configuring corresponding registers, the device can drive 16 channels without diagnostics or 8 channels with diagnostics. The diagnostics channels DIAGn must connect to DRAINn to realize LED diagnostics. A command error fault implies that a channel is configured for LED diagnostics but a register write command has turned on the channel at the same time. The device provides a cyclic redundancy check to verify register values in the shift registers. In read-back mode, the device provides 6 bits of the CRC remainder. The MCU can read back the CRC remainder and check if the remainder is correct to determine whether the communication loop between MCU and device is good.

Subscribe to Welllinkchips !
Your Name
* Email
Submit a request